
You might like
Some secrets are too dangerous to be free

So in a month you make 0.01103735 BTC when in a day you make 0.00024559 BTC, that makes the month having 45 days!!! #NiceHash

Woohoo!! Finally have @EspressifSystem #ESP32 #vscode single step #openocd #freeRTOS #gdb #debugging working!! 😎😁 @TheFlyingZephyr @ba0sh1

Commencing a home security project with one of these awesome micro controllers #ESP32 locks, visitor alerts etc all controlled remotely#iot

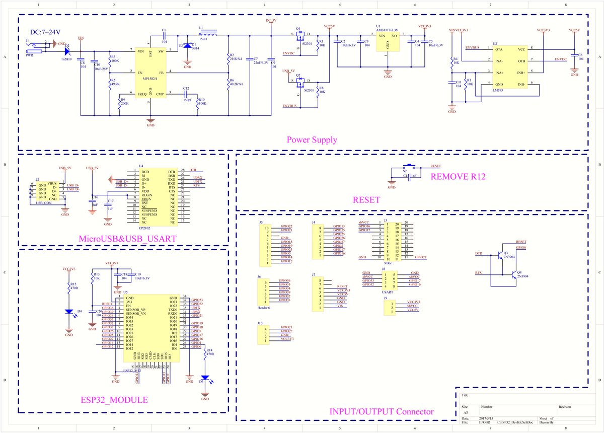
Freematics ESPRIT: ESP32 based dev. board with xBee socket ($40 USD) ℹ️ freematics.com/pages/products… 💳 freematics.com/store/index.ph… ♺ @stanleyhuangyc




Various ESP32 tutorials by Nuno Santos can be found on the @techtutorialsx website: 🔰 techtutorialsx.com/category/esp32/
@make @arduino @ESP8266COM @EspressifSystem My #ESP32 Development Board is here!. Back to IoT Ideas...

So, it appears the @esp32uk mcu has a secret built in BASIC compiler! Love the @arduino but it has a lot of catching up to do.

Pocket 32: board with ESP-WROOM-32 module, 18650 battery socket, charging circuit… ($24) 💳 tindie.com/products/lspop… ♺ @dongsentech @tindie

How fast MCU's are progressing eh! New ESP32 10x faster than the Arduino Uno! Plus integrated WiFi + BlueTooth! @esp32uk @ESP32net

First steps with ESP32. Thanks John Lee @Espressif for hooking this year's fabclass with esp32 modules . blob.tomerweller.com/esp32-first-st… #esp32
Discussion: Seeed Studio cancelling & refunding unfulfilled orders for Ai-Thinker ESP-32S module 💬 reddit.com/r/esp32/commen…
Hornbill ESP32 Development Board ℹ hackaday.io/project/18997-… ♺ @ExploreEmbedded

#ESP32 #FreeRTOS task switch jitter. Wifi on, idle, a new story on jitter. Orig post: wp.me/p7QPOB-4h

@esp32com @ESP32net @esp32uk ESP32 Mirrored cases are now available in our shop. Limited quantities at the moment. eleccytronics.com/products/esp32…
United States Trends
- 1. Columbus 91K posts
- 2. #WWERaw 40.7K posts
- 3. $BURU N/A
- 4. #IndigenousPeoplesDay 5,069 posts
- 5. #IDontWantToOverreactBUT 1,032 posts
- 6. Seth 36.2K posts
- 7. Middle East 182K posts
- 8. #SwiftDay 9,440 posts
- 9. Marc 39.8K posts
- 10. Thanksgiving 47.2K posts
- 11. The Vision 90.3K posts
- 12. Knesset 144K posts
- 13. Flip 50.2K posts
- 14. #MondayMotivation 14.3K posts
- 15. Egypt 184K posts
- 16. Victory Monday 2,530 posts
- 17. Bronson 7,455 posts
- 18. Bron Breakker 6,374 posts
- 19. Good Monday 44.8K posts
- 20. Happy 250th 3,268 posts
Something went wrong.
Something went wrong.