#icreverseengineering نتائج البحث

16 years ago, I moved to the French Riviera to work with the most amazing team of silicon hackers.. Discovering how ICs could be REed blew my mind! I am so lucky to be able to continue pushing the #ICReverseEngineering boundaries everyday with the amazing teams @Texplained_RE :-)

reivilo_t's tweet image. 16 years ago, I moved to the French Riviera to work with the most amazing team of silicon hackers..
Discovering how ICs could be REed blew my mind!
I am so lucky to be able to continue pushing the #ICReverseEngineering boundaries everyday with the amazing teams @Texplained_RE :-)

Layers of an IC are not equal. Standard cells are visible on the deepest layers. Being able to reverse-engineer those is mandatory if we want to play :-) #ICReverseEngineering

reivilo_t's tweet image. Layers of an IC are not equal. 
Standard cells are visible on the deepest layers. 
Being able to reverse-engineer those is mandatory if we want to play :-)
#ICReverseEngineering

Getting samples ready for the next hands-on training session in our lab. Only 2 weeks left before some of you learn how to recover secret data from chips. #TexplainedTT #ICReverseEngineering

Texplained_RE's tweet image. Getting samples ready for the next hands-on training session in our lab. Only 2 weeks left before some of you learn how to recover secret data from chips. #TexplainedTT #ICReverseEngineering
Texplained_RE's tweet image. Getting samples ready for the next hands-on training session in our lab. Only 2 weeks left before some of you learn how to recover secret data from chips. #TexplainedTT #ICReverseEngineering

Found a new way to request @hardwear_io organizers beer for lunch during the training sessions while promoting the webinars and @Texplained_RE’s #ICReverseEngineering training. There are seats left and who knows, we might have beer for lunch 😉

reivilo_t's tweet image. Found a new way to request @hardwear_io organizers beer for lunch during the training sessions while promoting the webinars and @Texplained_RE’s #ICReverseEngineering training. There are seats left and who knows, we might have beer for lunch 😉

Someone was a little bit fussy in the lab… #ICReverseEngineering

reivilo_t's tweet image. Someone was a little bit fussy in the lab… #ICReverseEngineering

We are looking more and more at this representation of IC digital circuitry. This one is a work in progress with over 600k edges so far. I personally think it looks better when netlists are still in progress from an artistic point of view. #ICreverseEngineering @Texplained_RE

reivilo_t's tweet image. We are looking more and more at this representation of IC digital circuitry. This one is a work in progress with over 600k edges so far. I personally think it looks better when netlists are still in progress from an artistic point of view.
#ICreverseEngineering @Texplained_RE

Fun fact: We do burn chips while testing new processes, we just need to knit all the metal lines back together now. #TexplainedTT #ICReverseEngineering

Texplained_RE's tweet image. Fun fact: We do burn chips while testing new processes, we just need to knit all the metal lines back together now.
#TexplainedTT #ICReverseEngineering

Removing all of the IC interconnect is fast, dangerous and very helpful. With an optical overview only, you can see some of the main blocs. Here is the optical substrate overview for our #STM8_RE. #ICReverseEngineering

reivilo_t's tweet image. Removing all of the IC interconnect is fast, dangerous and very helpful. 
With an optical overview only, you can see some of the main blocs.
Here is the optical substrate overview for our #STM8_RE.
#ICReverseEngineering

Getting some chips from broken hard drives to expand Texplained IC database. What kind of product would you like to be dismantled ? #TexplainedTT #ICReverseEngineering

Texplained_RE's tweet image. Getting some chips from broken hard drives to expand Texplained IC database.
What kind of product would you like to be dismantled ?   #TexplainedTT #ICReverseEngineering
Texplained_RE's tweet image. Getting some chips from broken hard drives to expand Texplained IC database.
What kind of product would you like to be dismantled ?   #TexplainedTT #ICReverseEngineering

Here we are 😃. Roughly 32.000 pictures later (21GB 🧐), we can bring the #STM8_RE to #ChipJuice for some intense #ICReverseEngineering 🔬

reivilo_t's tweet image. Here we are 😃. Roughly 32.000 pictures later (21GB 🧐), we can bring the #STM8_RE to #ChipJuice for some intense #ICReverseEngineering 🔬

X-section is another technique to know the number of layers of your chip but also their dimensions. You can notice that passivation is not flat but has the same shape as the top metal layer. #TexplainedTT #ICReverseEngineering #MSP430

Texplained_RE's tweet image. X-section is another technique to know the number of layers of your chip but also their dimensions. You can notice that passivation is not flat but has the same shape as the top metal layer. 
#TexplainedTT #ICReverseEngineering #MSP430

Sure, cloned and compatible ink cartridges are a thing and are the results of a full #ICReverseEngineering . That's in scope with @TexplainedRE researches. We'll be discussing this at @hardwear_io in November.

Texplained_RE's tweet image. Sure, cloned and compatible ink cartridges are a thing and are the results of a full #ICReverseEngineering .
That's in scope with @TexplainedRE researches. We'll be discussing this at @hardwear_io  in November.

Replicating tape is useful to clean your chip surface and at the same time you can get its "fingerprint" ! #TexplainedTT #ICReverseEngineering #MSP430

Texplained_RE's tweet image. Replicating tape is useful to clean your chip surface and at the same time you can get its "fingerprint" ! #TexplainedTT #ICReverseEngineering #MSP430

Picture of the day : 5 billion_pixels x 8 layers. A nice way of spending the week after an awesome @reconmtl . Training attendees were great!! Thank you. Conference’s always a blast to have with the most awesome people around :-) :-) @Texplained_RE #ICreverseEngineering

reivilo_t's tweet image. Picture of the day : 5 billion_pixels x 8 layers. A nice way of spending the week after an awesome @reconmtl . Training attendees were great!! Thank you. Conference’s always a blast to have with the most awesome people around :-) :-)
@Texplained_RE  #ICreverseEngineering

It's surprising to see active shields with the same pattern after several wake up. It's even more surprising to realise its frequency is inadequate. In blue a command to read a private key in memory, it ends before the shield starts to change. #TexplainedTT #ICReverseEngineering

Texplained_RE's tweet image. It's surprising to see active shields with the same pattern after several wake up. It's even more surprising to realise its frequency is inadequate. In blue a command to read a private key in memory, it ends before the shield starts to change.
#TexplainedTT #ICReverseEngineering

Do you want to see pictures of ICs? What would be your target(s) of choice? Tell me and we will see how we can provide ;-) #ICReverseEngineering

reivilo_t's tweet image. Do you want to see pictures of ICs? What would be your target(s) of choice? Tell me and we will see how we can provide ;-)
#ICReverseEngineering

Day2 Training has started of hw_ioUSA2025 ! #BLE #ICReverseEngineering #hypervisor #hw_io

hardwear_io's tweet image. Day2 Training has started of hw_ioUSA2025 !
#BLE #ICReverseEngineering #hypervisor #hw_io
hardwear_io's tweet image. Day2 Training has started of hw_ioUSA2025 !
#BLE #ICReverseEngineering #hypervisor #hw_io
hardwear_io's tweet image. Day2 Training has started of hw_ioUSA2025 !
#BLE #ICReverseEngineering #hypervisor #hw_io
hardwear_io's tweet image. Day2 Training has started of hw_ioUSA2025 !
#BLE #ICReverseEngineering #hypervisor #hw_io

It's surprising to see active shields with the same pattern after several wake up. It's even more surprising to realise its frequency is inadequate. In blue a command to read a private key in memory, it ends before the shield starts to change. #TexplainedTT #ICReverseEngineering

Texplained_RE's tweet image. It's surprising to see active shields with the same pattern after several wake up. It's even more surprising to realise its frequency is inadequate. In blue a command to read a private key in memory, it ends before the shield starts to change.
#TexplainedTT #ICReverseEngineering

Getting samples ready for the next hands-on training session in our lab. Only 2 weeks left before some of you learn how to recover secret data from chips. #TexplainedTT #ICReverseEngineering

Texplained_RE's tweet image. Getting samples ready for the next hands-on training session in our lab. Only 2 weeks left before some of you learn how to recover secret data from chips. #TexplainedTT #ICReverseEngineering
Texplained_RE's tweet image. Getting samples ready for the next hands-on training session in our lab. Only 2 weeks left before some of you learn how to recover secret data from chips. #TexplainedTT #ICReverseEngineering

Sure, cloned and compatible ink cartridges are a thing and are the results of a full #ICReverseEngineering . That's in scope with @TexplainedRE researches. We'll be discussing this at @hardwear_io in November.

Texplained_RE's tweet image. Sure, cloned and compatible ink cartridges are a thing and are the results of a full #ICReverseEngineering .
That's in scope with @TexplainedRE researches. We'll be discussing this at @hardwear_io  in November.

Someone was a little bit fussy in the lab… #ICReverseEngineering

reivilo_t's tweet image. Someone was a little bit fussy in the lab… #ICReverseEngineering

Getting some chips from broken hard drives to expand Texplained IC database. What kind of product would you like to be dismantled ? #TexplainedTT #ICReverseEngineering

Texplained_RE's tweet image. Getting some chips from broken hard drives to expand Texplained IC database.
What kind of product would you like to be dismantled ?   #TexplainedTT #ICReverseEngineering
Texplained_RE's tweet image. Getting some chips from broken hard drives to expand Texplained IC database.
What kind of product would you like to be dismantled ?   #TexplainedTT #ICReverseEngineering

Fun fact: We do burn chips while testing new processes, we just need to knit all the metal lines back together now. #TexplainedTT #ICReverseEngineering

Texplained_RE's tweet image. Fun fact: We do burn chips while testing new processes, we just need to knit all the metal lines back together now.
#TexplainedTT #ICReverseEngineering

Last week training was "Integrated Circuit Reverse-Engineering & Data Extraction". Very useful to start #ICReverseEngineering for digital forensics, security research and evaluation, etc. Next session @hitbsectrain this November in Abu Dhabi sectrain.hitb.org/courses/ic-rev…


Efficiency is key for a company, that's why we got this new machine to play with. Nothing fancy or plasma colour to watch but it does guarantee a quick metal deposition. #TexplainedTT #ICReverseEngineering


Blooming flowers or oxydation on our chip ? If you can't maintain vacuum where you store your chip then don't forget to deposit a fairly thick layer of metal. #TexplainedTT #ICReverseEngineering

Texplained_RE's tweet image. Blooming flowers or oxydation on our chip ?
If you can't maintain  vacuum where you store your chip then don't forget to deposit a fairly thick layer of metal.
#TexplainedTT  #ICReverseEngineering

Unlike copper wires, gold wires are resistant to acide. Here is a ST32M chip with some of his gold wires after depackaging. #TexplainedTT #ICReverseEngineering


Some Andy Warhol style applied on a chip extracted from a #Sony DB2012 phone #TexplainedTT #ICReverseEngineering


X-section is another technique to know the number of layers of your chip but also their dimensions. You can notice that passivation is not flat but has the same shape as the top metal layer. #TexplainedTT #ICReverseEngineering #MSP430

Texplained_RE's tweet image. X-section is another technique to know the number of layers of your chip but also their dimensions. You can notice that passivation is not flat but has the same shape as the top metal layer. 
#TexplainedTT #ICReverseEngineering #MSP430

First day of the long-waited @EXFILES_H2020 physical meeting in Grenoble. When #ICReverseEngineering is used for digital forensics 😊


[1/2] Interconnection layers only represent a tiny part of a chip. The bulk is here to prevent the chip from breaking too easily. #TexplainedTT #ICReverseEngineering #MSP430

Texplained_RE's tweet image. [1/2] Interconnection layers only represent a tiny part of a chip. The bulk is here to prevent the chip from breaking too easily.
 #TexplainedTT #ICReverseEngineering #MSP430

#TexplainedTT Before passivation removal what you image is the topography of the chip whereas after you will image features, metal tracks in our case. #ICReverseEngineering #MSP430

Texplained_RE's tweet image. #TexplainedTT

Before passivation removal what you image is the topography of the chip whereas after you will image features, metal tracks in our case.
 
#ICReverseEngineering #MSP430

لا توجد نتائج لـ "#icreverseengineering"

16 years ago, I moved to the French Riviera to work with the most amazing team of silicon hackers.. Discovering how ICs could be REed blew my mind! I am so lucky to be able to continue pushing the #ICReverseEngineering boundaries everyday with the amazing teams @Texplained_RE :-)

reivilo_t's tweet image. 16 years ago, I moved to the French Riviera to work with the most amazing team of silicon hackers..
Discovering how ICs could be REed blew my mind!
I am so lucky to be able to continue pushing the #ICReverseEngineering boundaries everyday with the amazing teams @Texplained_RE :-)

Largest picture is a panorama of Mont Blanc with 365 Giga-pixels. Our #ICreverseEngineering software have been tested on a layer that was 240 Giga-pixels. Regular projects have 10+GP on 6+ layers and growing. Resolution is in the range of few nm.

reivilo_t's tweet image. Largest picture is a panorama of Mont Blanc with 365 Giga-pixels. Our #ICreverseEngineering software have been tested on a layer that was 240 Giga-pixels. Regular projects have 10+GP on 6+ layers and growing. Resolution is in the range of few nm.

Layers of an IC are not equal. Standard cells are visible on the deepest layers. Being able to reverse-engineer those is mandatory if we want to play :-) #ICReverseEngineering

reivilo_t's tweet image. Layers of an IC are not equal. 
Standard cells are visible on the deepest layers. 
Being able to reverse-engineer those is mandatory if we want to play :-)
#ICReverseEngineering

Installed #TensorFlow 2 days ago to try #MachineLearning in the context of #IcReverseEngineering. Results are very exciting :-)

reivilo_t's tweet image. Installed #TensorFlow 2 days ago to try #MachineLearning in the context of #IcReverseEngineering. Results are very exciting :-)

We are looking more and more at this representation of IC digital circuitry. This one is a work in progress with over 600k edges so far. I personally think it looks better when netlists are still in progress from an artistic point of view. #ICreverseEngineering @Texplained_RE

reivilo_t's tweet image. We are looking more and more at this representation of IC digital circuitry. This one is a work in progress with over 600k edges so far. I personally think it looks better when netlists are still in progress from an artistic point of view.
#ICreverseEngineering @Texplained_RE

Sure, cloned and compatible ink cartridges are a thing and are the results of a full #ICReverseEngineering . That's in scope with @TexplainedRE researches. We'll be discussing this at @hardwear_io in November.

Texplained_RE's tweet image. Sure, cloned and compatible ink cartridges are a thing and are the results of a full #ICReverseEngineering .
That's in scope with @TexplainedRE researches. We'll be discussing this at @hardwear_io  in November.

Here we are 😃. Roughly 32.000 pictures later (21GB 🧐), we can bring the #STM8_RE to #ChipJuice for some intense #ICReverseEngineering 🔬

reivilo_t's tweet image. Here we are 😃. Roughly 32.000 pictures later (21GB 🧐), we can bring the #STM8_RE to #ChipJuice for some intense #ICReverseEngineering 🔬

Day2 Training has started of hw_ioUSA2025 ! #BLE #ICReverseEngineering #hypervisor #hw_io

hardwear_io's tweet image. Day2 Training has started of hw_ioUSA2025 !
#BLE #ICReverseEngineering #hypervisor #hw_io
hardwear_io's tweet image. Day2 Training has started of hw_ioUSA2025 !
#BLE #ICReverseEngineering #hypervisor #hw_io
hardwear_io's tweet image. Day2 Training has started of hw_ioUSA2025 !
#BLE #ICReverseEngineering #hypervisor #hw_io
hardwear_io's tweet image. Day2 Training has started of hw_ioUSA2025 !
#BLE #ICReverseEngineering #hypervisor #hw_io

And the winner is the #MSP430 ! We will have some fun with it this week 😀 #TexplainedTT #ICReverseEngineering

Texplained_RE's tweet image. And the winner is the #MSP430 ! We will have some fun with it this week 😀

#TexplainedTT #ICReverseEngineering
Texplained_RE's tweet image. And the winner is the #MSP430 ! We will have some fun with it this week 😀

#TexplainedTT #ICReverseEngineering

Fun fact: We do burn chips while testing new processes, we just need to knit all the metal lines back together now. #TexplainedTT #ICReverseEngineering

Texplained_RE's tweet image. Fun fact: We do burn chips while testing new processes, we just need to knit all the metal lines back together now.
#TexplainedTT #ICReverseEngineering

Picture of the day : 5 billion_pixels x 8 layers. A nice way of spending the week after an awesome @reconmtl . Training attendees were great!! Thank you. Conference’s always a blast to have with the most awesome people around :-) :-) @Texplained_RE #ICreverseEngineering

reivilo_t's tweet image. Picture of the day : 5 billion_pixels x 8 layers. A nice way of spending the week after an awesome @reconmtl . Training attendees were great!! Thank you. Conference’s always a blast to have with the most awesome people around :-) :-)
@Texplained_RE  #ICreverseEngineering

This is the top view of our #MSP430 chip scanned with a x5 objective and a SEM scan with a 52° tilt before metal deposition. #TexplainedTT #ICReverseEngineering

Texplained_RE's tweet image. This is the top view of our #MSP430 chip scanned with a x5 objective and a SEM scan with a 52° tilt before metal deposition.

#TexplainedTT #ICReverseEngineering
Texplained_RE's tweet image. This is the top view of our #MSP430 chip scanned with a x5 objective and a SEM scan with a 52° tilt before metal deposition.

#TexplainedTT #ICReverseEngineering

X-section is another technique to know the number of layers of your chip but also their dimensions. You can notice that passivation is not flat but has the same shape as the top metal layer. #TexplainedTT #ICReverseEngineering #MSP430

Texplained_RE's tweet image. X-section is another technique to know the number of layers of your chip but also their dimensions. You can notice that passivation is not flat but has the same shape as the top metal layer. 
#TexplainedTT #ICReverseEngineering #MSP430

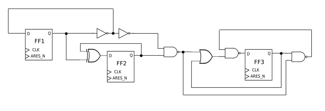
Ever thought to increase your clock period using only two inputs signals ? This design can be found in real digital cores. Use ARES_N the asynchronous reset to launch the process and CLK as the clock period you want to increase #TexplainedTT #ICReverseEngineering

Texplained_RE's tweet image. Ever thought to increase your clock period using only two inputs signals ? 

This design can be found in real digital cores. 
Use ARES_N the asynchronous reset to launch the process and CLK as the clock period you want to increase
#TexplainedTT #ICReverseEngineering

Getting samples ready for the next hands-on training session in our lab. Only 2 weeks left before some of you learn how to recover secret data from chips. #TexplainedTT #ICReverseEngineering

Texplained_RE's tweet image. Getting samples ready for the next hands-on training session in our lab. Only 2 weeks left before some of you learn how to recover secret data from chips. #TexplainedTT #ICReverseEngineering
Texplained_RE's tweet image. Getting samples ready for the next hands-on training session in our lab. Only 2 weeks left before some of you learn how to recover secret data from chips. #TexplainedTT #ICReverseEngineering

Loading...

Something went wrong.


Something went wrong.


United States Trends