thinkedgesci's profile picture. Edge Scientific designs custom printed circuit boards that help people bring their product ideas to life.

Mike @ Edge Scientific

@thinkedgesci

Edge Scientific designs custom printed circuit boards that help people bring their product ideas to life.

I design custom electronics for life science companies. In 2019, I bought a used MY9 pick and place machine and DEK Horizon stencil printer and put them in my garage. Combined with a homebrew vapor phase reflow, I can now machine place my own designs.

thinkedgesci's tweet image. I design custom electronics for life science companies. In 2019, I bought a used MY9 pick and place machine and DEK Horizon stencil printer and put them in my garage. Combined with a homebrew vapor phase reflow, I can now machine place my own designs.

Here's another way to shave weeks off development time. Don't re-invent the wheel. For the right application, using a Lantronix Xport (XP1001000-05R pictured here) can turn a familiar UART application into an ethernet connected device.

thinkedgesci's tweet image. Here's another way to shave weeks off development time.

Don't re-invent the wheel. For the right application, using a Lantronix Xport (XP1001000-05R pictured here) can turn a familiar UART application into an ethernet connected device.

Do you use hierarchical designs in your schematics? Being able to re-use a schematic without duplication is extremely efficient for being able to use the "Copy Room Placement" function in Altium Designer. It will copy routes, designator placements, and component placement.

thinkedgesci's tweet image. Do you use hierarchical designs in your schematics?

Being able to re-use a schematic without duplication is extremely efficient for being able to use the "Copy Room Placement" function in Altium Designer.  It will copy routes, designator placements, and component placement.

Should Electrical Engineers learn Solidworks? Using Solidworks allows me to provide a prototype to my clients that isn't just a couple of bare boards and a mess of cables that have to be plugged into a power supply. Instead, I can provide nearly a finished product.

thinkedgesci's tweet image. Should Electrical Engineers learn Solidworks?

Using Solidworks allows me to provide a prototype to my clients that isn't just a couple of bare boards and a mess of cables that have to be plugged into a power supply. Instead, I can provide  nearly a finished product.

Here's one way I try to save my clients weeks of development time... Design re-use. Put all the circuitry needed to run an FPGA on its own board. Spend more time designing just the custom circuitry needed for the client's job.

thinkedgesci's tweet image. Here's one way I try to save my clients weeks of development time... Design re-use. Put all the circuitry needed to run an FPGA on its own board.   Spend more time designing just the custom circuitry needed for the client's job.

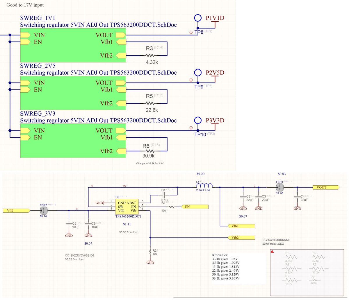
This circuit has been a workhorse for getting multiple efficient rails. 12V input, 2A switch, runs cool. I incorporate the block and adjustment resistor on my high level schematic and use it multiple times per board. About $2.

thinkedgesci's tweet image. This circuit has been a workhorse for getting multiple efficient rails.  12V input, 2A switch, runs cool.  I incorporate the block and adjustment resistor on my high level schematic and use it multiple times per board.  About $2.
thinkedgesci's tweet image. This circuit has been a workhorse for getting multiple efficient rails.  12V input, 2A switch, runs cool.  I incorporate the block and adjustment resistor on my high level schematic and use it multiple times per board.  About $2.

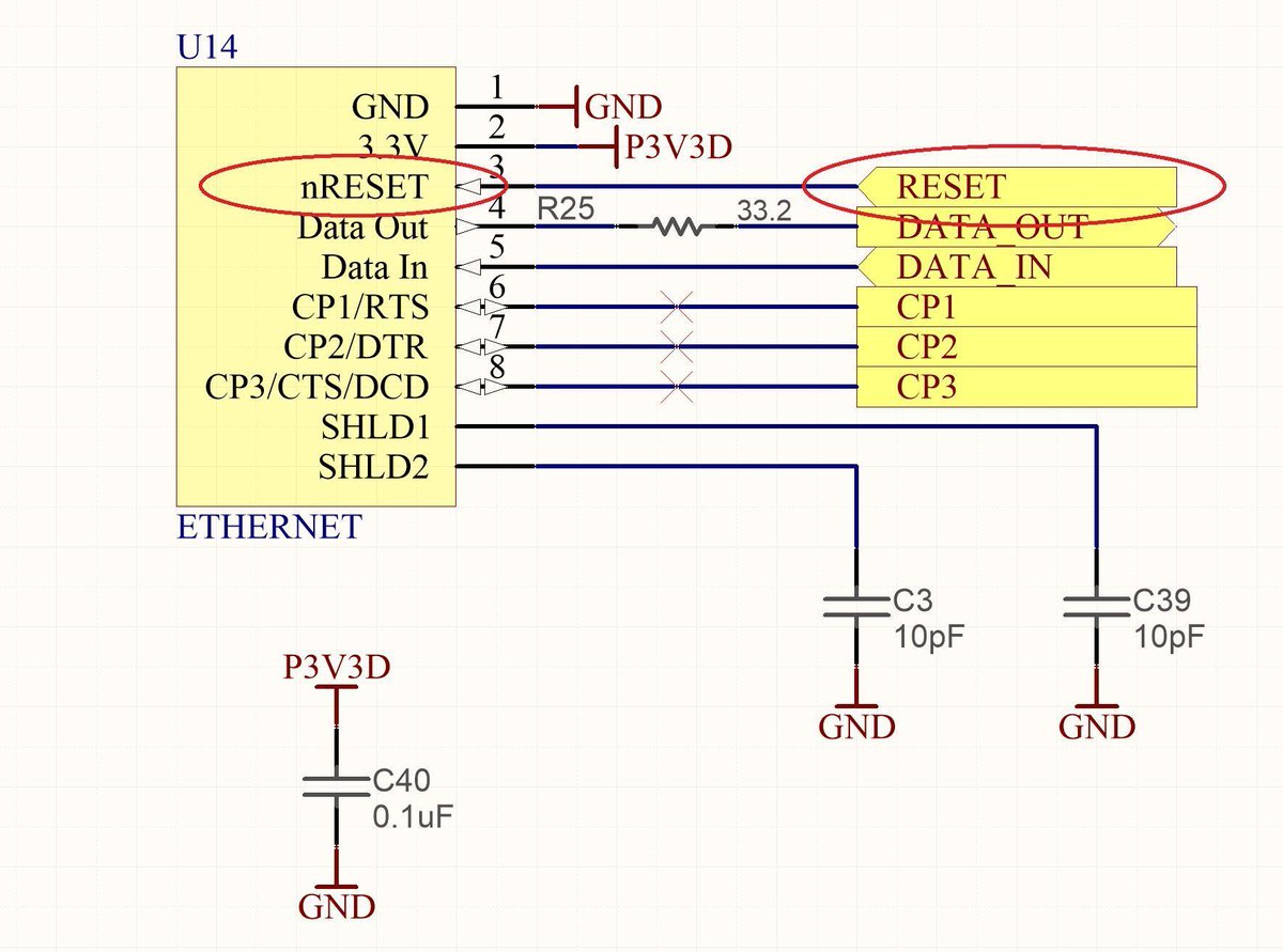
Fail of the Week. I misnamed a logic sheet entry with the wrong logic polarity (RESET instead of nRESET). Caused about an hour of troubleshooting to find out why my module wasn't working. Once I got the signal at the right polarity, everything was fine.

thinkedgesci's tweet image. Fail of the Week.  I misnamed a logic sheet entry with the wrong logic polarity (RESET instead of nRESET).  Caused about an hour of troubleshooting to find out why my module wasn't working.  Once I got the signal at the right polarity, everything was fine.

I incorporate ferrites in my power electronics designs. Some have sworn them off entirely. In my opinion, nothing gets rid of switching regulator noise like ferrites coupled with a proper filter capacitor.

thinkedgesci's tweet image. I incorporate ferrites in my power electronics designs.  Some have sworn them off entirely.  In my opinion, nothing gets rid of switching regulator noise like ferrites coupled with a proper filter capacitor.

Free test points. Add some 22GA bare wire, a Saleae, and some board holes that are 50mil OD x 35mil ID. Link their text from schematic, push them into the PCB. Great for SPI buses and anything you would need to touch to debug firmware.

thinkedgesci's tweet image. Free test points.  Add some 22GA bare wire, a Saleae, and some board holes that are 50mil OD x 35mil ID.  Link their text from schematic, push them into the PCB.  Great for SPI buses and anything you would need to touch to debug firmware.

Lamborghini-Like 3D Printer Guns For $100b Market ow.ly/WSYy303aSRs


The Most Under-rated FPGA Design Tool Ever ow.ly/lcub3039U9N


The 3 Business Models That Matter for Connected Hardware Startups — Bolt Blog ow.ly/VJuI302LzwH


The Illustrated Guide to Product Development (Part 4: Validation) — Bolt Blog ow.ly/NZip302Lzd2


Great project. I'd like to see how much effort it was to implement. ow.ly/IZgF302QGKn


The Illustrated Guide to Product Development (Part 3: Engineering) — Bolt Blog ow.ly/AZPq302Lz7G


The Illustrated Guide to Product Development (Part 2: Design) — Bolt Blog ow.ly/Kcs7302LyUx


Interesting new optics from Beckman Coulter. Simple is good. ow.ly/1e7n302Tlka


The Illustrated Guide to Product Development (Part 1: Ideation) — Bolt Blog ow.ly/fBqv302LyEi


Looking for a chip in your next DC motor drive board? 41V 30A! Automotive fully integrated H-bridge motor driver ow.ly/mM5s302LA4m


Loading...

Something went wrong.


Something went wrong.