#flightcomputer نتائج البحث
Which style E6-B #flightcomputer you prefer to use, the traditional metal one, or paper E6-B, or this full plastic new flight computer? #e6b #aviation #aviationlovers #Pilot #flyingschool #learntofly #howtofly #pilotshop #aviator #navigation
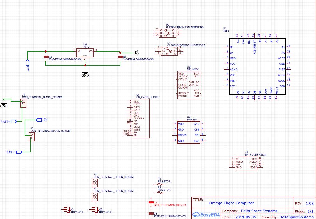
Meet the Omega Flight Computer Schematic‼️ More renders, tests, and launches soon🚀 #easyeda #flightcomputer #rocket #abovethekarmanline

E6B Flight Computer: Pilots use this fun device inflight to calculate ground speed, fuel burn, density altitude, convert distances from various units and many more things. The E6B flight computer is nicknamed the whiz wheel. #flightcomputer #learntofly #aviationgeek

4. The almost impossible challenge of minituarizing of the #flightcomputer into the space of a cubic foot, at the time when computers were the size of buildings, using a breakthrough in #electronics at the time - #integratedcircuits. But can such a computer be built? #apollo8

The best slide graphic flight computer you can find in Asia. CYA Aviation is a manufacturer for own brand - for any possible demands or inquiry, contact: [email protected] #cyanavigation #flightcomputer #pilotsupplies #aviationlovers #learntofly

Anyone remember learning how to use an @asa2fly E6-B #FlightComputer in ground school at Ohio State?! 🛩️


Finally got the hang of the #E6B So confusing at first. It’s insane how much u can calculate on this magical #FlightComputer 😍
6. The #systemcrash that occurred during the return trip to #earth, due to error in user input that reset the #flightcomputer to the initial state on the launchpad. There was no #errorchecking for invalid user input at the time! #apollo8 #spacerace #NASA @novapbs

If you want to have a nice evening, do not design a new flight computer #hotnozzlesummer #flightcomputer

3. The software development team led by #MargaretHamilton, who developed all the code for the #flightcomputer before #softwareengineering and #computerscience were even disciplines. My new hero <3 #apollo8 #spacerace #flight #NASA @novapbs @NASA


E6-B Flight Computer ASA Costo: 35.000 colones #ASA #E6B #FlightComputer #vuelacr vuelacr.com/ols/products/e…

E6-B Flight Computer ASA Costo: 35.000 colones #ASA #E6B #FlightComputer #vuela vuelacr.com/ols/products/e…

2. The involvement of Charles Stark Draper - #engineer, aviation pioneer and professor at @MIT Instrumentation Lab, in creating the inertial measurement unit using #inertialnavigation, the space sextant and the #flightcomputer #apollo8 #spacerace #NASA #NOVA @novapbs @NASA

Advanced Model Rocket Flight Computer Reaching For The Stars bit.ly/33mi5jA #TechHacks #bpsspace #flightcomputer

Thanks for following the progress of Stardust! I’ll be updating you soon with more developments. Stay tuned! 🚀✨ #AerospaceEngineering #FlightComputer #Rocketry #SpaceDreams #Engineering
E6-B Flight Computer ASA Costo: 35.000 colones #ASA #E6B #FlightComputer #vuela vuelacr.com/ols/products/e…

In today's high-tech aviation world, manual flight computers are still essential. Discover why these tools are irreplaceable for pilots, and enhancing safety and reliability. 🌟🛫#cyanavigation #cyaaviation #flightcomputer #pilot #pilotsupplies 👉cyanavigation.com/why-we-still-n…
cyanavigation.com
Why We Still Need Manual Flight Computers - Home - CYA Aviation
Introduction In the high-tech world of modern aviation, digital flight computers are ubiquitous, offering pilots unparalleled precision, efficiency, and convenience. However, despite the allure of...
Here is the difference between F22 raptor prototype flight computer versus KAAN prototype flight computer. If Kaan did this, what would happen? #kaan #f22 #flightcomputer
Kaan'nın kalkış sırasında uçuş bilgisayarının yatay stabilizerleri mükemmel şekilde kullanmasını eleştirenler. KAAN, 1992'de F22'nin düştüğü bu duruma düşseydi ne yapardı? #kaan #f22 #firstflight #flightcomputer
E6-B Flight Computer ASA Costo: 35.000 colones #ASA #E6B #FlightComputer #vuelacr vuelacr.com/ols/products/e…

aerokidsacademy.ck.page/1d The flight computer is a circular flight rule pilots use to make calculations. Now we have appropriated it for kids. Snag one for your child now! #kids #free #flightcomputer
Which style E6-B #flightcomputer you prefer to use, the traditional metal one, or paper E6-B, or this full plastic new flight computer? #e6b #aviation #aviationlovers #Pilot #flyingschool #learntofly #howtofly #pilotshop #aviator #navigation
$19.9 CYA Plastic E6B Flight Computer An economical version of the aluminum model E6B with all the same features! #flightcomputer #e6b #pilotsupplies #aviation cyanavigation.com/product/plasti…
Canadian technologies on their way to the Moon dlvr.it/SfCXNK #AIEnabled #CanadianSpaceAgency #FlightComputer #ImagingSystem #Lunar
Calculate true airspeed on E6B flight comptuer - for pilot student. #e6b #flightcomputer #pilotsupplies #trueairspeed #learntofly #aviation #aviationlovers #flyingschool #airspeed #Pilot #cyanavigation youtu.be/6mNaC8GevLU
How to Calculate True Airspeed with E6B Flight Computer - for Student Pilots #trueairspeed #flightcomputer #learntofly #aviation #aviationlovers youtu.be/isgwwITRW7c
Meet the Omega Flight Computer Schematic‼️ More renders, tests, and launches soon🚀 #easyeda #flightcomputer #rocket #abovethekarmanline

E6B Flight Computer: Pilots use this fun device inflight to calculate ground speed, fuel burn, density altitude, convert distances from various units and many more things. The E6B flight computer is nicknamed the whiz wheel. #flightcomputer #learntofly #aviationgeek

Anyone remember learning how to use an @asa2fly E6-B #FlightComputer in ground school at Ohio State?! 🛩️


The best slide graphic flight computer you can find in Asia. CYA Aviation is a manufacturer for own brand - for any possible demands or inquiry, contact: [email protected] #cyanavigation #flightcomputer #pilotsupplies #aviationlovers #learntofly

4. The almost impossible challenge of minituarizing of the #flightcomputer into the space of a cubic foot, at the time when computers were the size of buildings, using a breakthrough in #electronics at the time - #integratedcircuits. But can such a computer be built? #apollo8

3. The software development team led by #MargaretHamilton, who developed all the code for the #flightcomputer before #softwareengineering and #computerscience were even disciplines. My new hero <3 #apollo8 #spacerace #flight #NASA @novapbs @NASA


6. The #systemcrash that occurred during the return trip to #earth, due to error in user input that reset the #flightcomputer to the initial state on the launchpad. There was no #errorchecking for invalid user input at the time! #apollo8 #spacerace #NASA @novapbs

E6-B Flight Computer ASA Costo: 35.000 colones #ASA #E6B #FlightComputer #vuelacr vuelacr.com/ols/products/e…

2. The involvement of Charles Stark Draper - #engineer, aviation pioneer and professor at @MIT Instrumentation Lab, in creating the inertial measurement unit using #inertialnavigation, the space sextant and the #flightcomputer #apollo8 #spacerace #NASA #NOVA @novapbs @NASA

Pooleys CRP-1 računar je posebno dizajniran za studente i PPL pilote. Jednostavan za rukovanje, uključuje sve neophodne funkcije za ispite. Opseg brzina je od 40 kts do 850 kts #flightcomputer #pooleys #cpr1 bit.ly/2A9OIlC


If you want to have a nice evening, do not design a new flight computer #hotnozzlesummer #flightcomputer

E6-B Flight Computer ASA Costo: 35.000 colones #ASA #E6B #FlightComputer #vuela vuelacr.com/ols/products/e…

Advanced Model Rocket Flight Computer Reaching For The Stars bit.ly/33mi5jA #TechHacks #bpsspace #flightcomputer

Started prototyping a #flightcomputer that will later control a #tvc. Model rocketry is probably one of the hardest and most expensive disciplines in #making but I feel like I should have it as a side activity from time to time 🚀

Something went wrong.
Something went wrong.
United States Trends
- 1. Bears 88.3K posts
- 2. Jake Moody 13.4K posts
- 3. Snell 23.6K posts
- 4. Falcons 50.8K posts
- 5. Caleb 48.5K posts
- 6. Bills 140K posts
- 7. Josh Allen 26.2K posts
- 8. #BearDown 2,329 posts
- 9. Jayden 22.6K posts
- 10. Swift 289K posts
- 11. phil 168K posts
- 12. Ben Johnson 4,323 posts
- 13. #Dodgers 15.1K posts
- 14. Joji 27.4K posts
- 15. Turang 4,260 posts
- 16. Troy Aikman 6,304 posts
- 17. Roki 6,081 posts
- 18. Bijan 32.3K posts
- 19. #RaiseHail 8,432 posts
- 20. Happy Birthday Charlie 5,769 posts