#decoder ผลการค้นหา
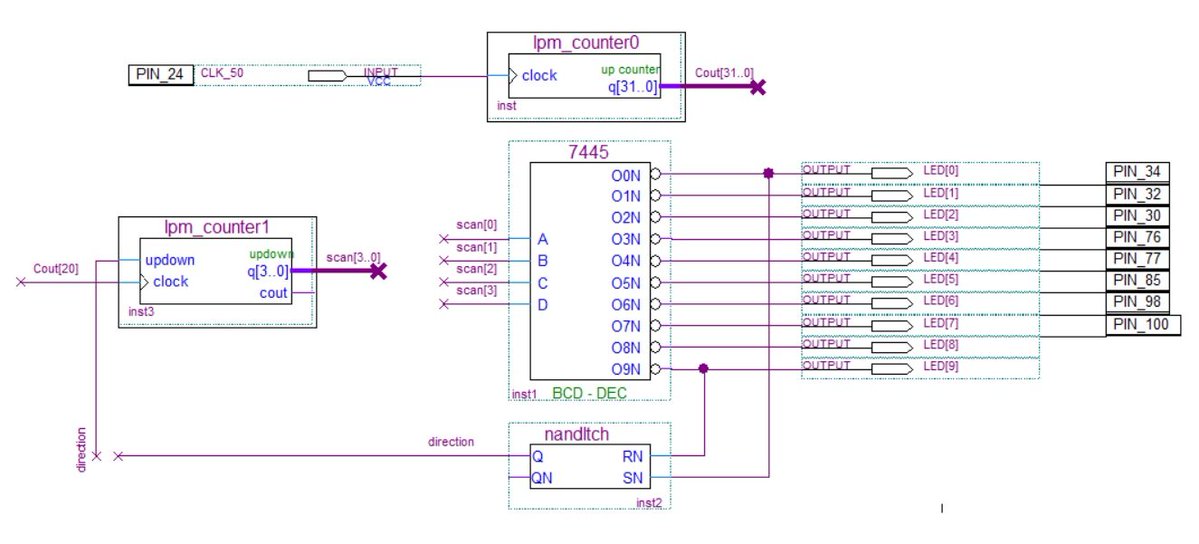
Running LED using 4 bit up/down counter along with 7445(BCD to decimal decoder). There's no HDL coding required. Just declare the LPM parameters and drag and drop 7445. First counter just divide the 50 MHz clock into lower frequency. #vhdl #counter #decoder #LED #altera #fpga



🚨 Mavo’s verse on Wizkid, DJ Tunez & DJ Maphorisa’s “Money Constant” drops TONIGHT! 🤯🔥 #Decoder #ShareACokeNG #Fenerbahce
Read and grow rich. Instead of #decoder, buy good books. No dull moments with good books! ruyikidsworld.com
Our LTE Decoder gets Major Decoder & UI Update! Now offering a perfect PBCH & PDSCH measurement, transmitter map, AVG EVM & EVM over time plus lots of other cool features. More at v6-forum.aaronia.de/forum/topic/ev… #Aaronia #Decoder #RF #Tech #Sigint
Our Booth at #AOC in Rome (6.-8. May)😎 Showcasing our latest realtime #RF & signal #decoder, SPECTRAN V6 USB, tablet & command center plus #AARTOS #dronedetection & smart #jammer. #Aaronia #SDR #SigInt #CUAV #CUAS




Neural audio codecs: how to get audio into LLMs: kyutai.org/next/codec-exp… #llm #decoder #dfir #reverseengineering #programming

Visit us at the #DEFEA in Athens (6.-8. May) 😎 We will showcase our latest realtime #RF & signal #decoder, SPECTRAN V6 USB, tablet & command center plus #AARTOS #dronedetection & smart #jammer. #Aaronia #SDR #SigInt #CUAV #CUAS

Glitterfox's decoder is out NOW! ✨ A supernova of sound + spirit — a soundtrack for becoming, undoing, and becoming again. Listen & get your copy now → pocp.co/decoder #Glitterfox #decoder
NEW IQ-Pulse-Inspector gets IEEE802.15-4 ZigBee Decoder & can now save all pulses at once! More at v6-forum.aaronia.de/forum/topic/iq… #Aaronia #SDR #Decoder #ZigBee #Drone #SigInt #RF #Tech

Daha önce de sorduk.. Bu kurallar neye göre işleniyor? Eğer IFAB kural kitapçığına göreyse üstteki ofsaytsa alttaki ne? Alttaki devam ise üstteki ne? Neye göre uygulanıyor bu kurallar? Feneri yarışın içinde tutabilmek.. #DECODER iadesine önlem...
多少マニアックですが俗にカルト映画のDecoder。 とある機会にムシャさんにサイン頂いたA4プリントは家宝 トラックでの特にthe theさんのthree orange〜は大好きです マットジョンソンさんは本当かっこいい #decoder #thethe #WilliamBurroughs

TEMA EMIWENDO!!!👌 📺 GET READY TO UPGRADE YOUR TV EXPERIENCE!!! 🔥👏 #AZAM FULL KIT NOW AT UGX 80,000!!! 📺🔓 #DECODER ONLY UGX 40,000!!! 💸👍 PLACE YOUR ORDERS NOW AND ENJOY: More channels for less, better picture quality, and exclusive content. DON'T MISS OUT ON THIS AMAZING…

Upgraded my @SOL_Decoder to a new PFP! #decoder The coffee trait might be the coolest thing I’ve ever seen. ☕️




DSTV from November 1, 2025 are reducing the price of their Decoder by 40% as part of a strategy to win back millions of subscribers. #Dstv #Decoder #Arsenal
Been so fkn busy grinding, just now finally my storms to this.. 😅😭 Upgraded my @SOL_Decoder to a new PFPs!🔥💨 #decoder




Ottimo #decoder per vecchie TV. Una chiavetta compatta che si alimenta anche con presa USB, e aumenta il segnale. Unica avvertenza, non specificata dalla guida rapida, bisogna cambiare l' ingresso TV (o source, o input) da antenna a HDMI.

FOR SALE Modern 3bedroom bungalow on a standard full plot of land, all room en-suite. Asking price 30m Slightly negotiable Location: Moganan taiwo junction, Taska. Akala express Ibadan Enquiries:+2348142916573 #Fisayo #Decoder #CometoNigeria

DSTV from November 1, 2025 are reducing the price of their Decoder by 40% as part of a strategy to win back millions of subscribers. #Dstv #Decoder #Arsenal
Read and grow rich. Instead of #decoder, buy good books. No dull moments with good books! ruyikidsworld.com
Running LED using 4 bit up/down counter along with 7445(BCD to decimal decoder). There's no HDL coding required. Just declare the LPM parameters and drag and drop 7445. First counter just divide the 50 MHz clock into lower frequency. #vhdl #counter #decoder #LED #altera #fpga



VIDEO: Finally, Mazi Nnamdi Kanu and Omoyele Sowore met at the Federal High Court today. The man is powerful and unrelenting. We greeted and hugged and the bond is strong! #FreeNnamdiKanuNow #NnamdiKanu #Decoder #Ajax #patlama #LoveYourW #Dstv #GMMTV #Analog #Abuja
Neural audio codecs: how to get audio into LLMs: kyutai.org/next/codec-exp… #llm #decoder #dfir #reverseengineering #programming

4 different sports bet in a row. I can beat any sport. I like to challenge myself and mix it up. It sharpens the mind. 🏒 🎾 ⚾️ 🏀 Any sport can be decoded. In fact, anything in the universe can be decoded. #MatrixSurfer #Decoder #ReadMoreBooks 🧠 🧩 📚

⚡️Silver Decode Risky sell zone triggered near 149100–149400 — covered all around 146200. A clean 3,000-point slide from vibration to vibration. When risk is aligned with rhythm, the fall isn’t chance — it’s geometry. ⏳ #GANN #Silver #Decoder #CommodityTrading

⚡️Silver Decode Risky sell zone triggered near 149100–149400 — covered all around 146200. A clean 3,000-point slide from vibration to vibration. When risk is aligned with rhythm, the fall isn’t chance — it’s geometry. ⏳ #GANN #Silver #Decoder #CommodityTrading

🐣 #Oracle=54= #Love #Decoder #Eyes #Health #Peacock #Chess #Voice #CodeRed #Baseball #Cough #Engine #Jets #Gotcha #Knock #BigBigBig #Deadline #Fist
La Corte di #Cassazione, con la sentenza 30279/2025, ha affrontato nuovamente la questione dell’utilizzo illecito di #smartcard e #decoder a uso domestico per la trasmissione di #eventisportivi in luoghi aperti al pubblico. #SerieA #pizzeria #copyright lentepubblica.it/cittadini-e-im…
#Decoder #TELESystemUP1: arriva #AndroidTV14 e la nuova app Canali TV digital-news.it/news/hi-tech/5… @TELESystem_IT #AggiornamentoDecoder
Running LED using 4 bit up/down counter along with 7445(BCD to decimal decoder). There's no HDL coding required. Just declare the LPM parameters and drag and drop 7445. First counter just divide the 50 MHz clock into lower frequency. #vhdl #counter #decoder #LED #altera #fpga



#SIGLENT SDS5000X adds #ARINC 429 serial bus #decoder, which can be used in a wide range of #avionics systems to improve data transfer rates and reliability. Learn more about SDS5000X: int.siglent.com/u_file/documen…

Our Booth at #AOC in Rome (6.-8. May)😎 Showcasing our latest realtime #RF & signal #decoder, SPECTRAN V6 USB, tablet & command center plus #AARTOS #dronedetection & smart #jammer. #Aaronia #SDR #SigInt #CUAV #CUAS




NEW IQ-Pulse-Inspector gets IEEE802.15-4 ZigBee Decoder & can now save all pulses at once! More at v6-forum.aaronia.de/forum/topic/iq… #Aaronia #SDR #Decoder #ZigBee #Drone #SigInt #RF #Tech

Visit us at the #DEFEA in Athens (6.-8. May) 😎 We will showcase our latest realtime #RF & signal #decoder, SPECTRAN V6 USB, tablet & command center plus #AARTOS #dronedetection & smart #jammer. #Aaronia #SDR #SigInt #CUAV #CUAS

It's comfirmed, no #decoder lore tonight guys, even if #cellbit streams tonight, we aren't getting #etoiles sadly 😔💔💔 We only have one day left for them to speak before the event on the 4th, it's so joever I give up 😔 #qsmp

Back in June 1999, Elektor presented J. Altenburg's interesting weather-satellite #decoder design, which sits between the output of a weather satellite #receiver and a PC. How does it work? Learn More ow.ly/zARy50OQha4 #elektor #satelite #electronics #pll

Something went wrong.
Something went wrong.
United States Trends
- 1. $UNI 1,688 posts
- 2. Vesia N/A
- 3. Logan Wilson 1,271 posts
- 4. #LightningStrikes N/A
- 5. Bannon 12.1K posts
- 6. Chuck 90K posts
- 7. Jim Marshall N/A
- 8. Dragon 88.7K posts
- 9. #PlayersOverProfits 3,482 posts
- 10. Aaron Jones 2,447 posts
- 11. Reese 8,949 posts
- 12. Candace 39.9K posts
- 13. Chauncey Billups 114K posts
- 14. #LOVERGIRL 5,233 posts
- 15. Roger Craig N/A
- 16. Chargers -3 25K posts
- 17. #USWNT N/A
- 18. #drwfirstgoal N/A
- 19. Ken Anderson N/A
- 20. Bart 21.5K posts