#develon resultados de búsqueda

No hay resultados para "#develon"

@MACGroupLtd continues to invest as they build their #groundworks #civilengineering capabilities with the new #Develon DX140LCR-7 fitted with the #Engcon EC214S Tiltrotator. macgroup.ltd/engcon-tiltrot…

MACGroupLtd's tweet image. @MACGroupLtd continues to invest as they build their #groundworks #civilengineering capabilities with the new #Develon DX140LCR-7 fitted with the #Engcon EC214S Tiltrotator. macgroup.ltd/engcon-tiltrot…

Das Logistikunternehmen Van der Vlist Logistics B. V. hat den #Raupenbagger DX140LCR-7 von #Develon als Testobjekt für ein neues Verfahren zum europaweiten Transport großer Anlagenteile per Bahn verwendet - umweltfreundliche Alternative zum Lkw #Transport. ow.ly/znkf50XtUmx


#Develon 5 Ton Wheel Loader SD300N for Mining/Quarry/General Construction ✔️📲Whatsapp: +86 15292277527


Develon 9 Serisi ekskavatörler Trimble 3D sistemiyle şimdi daha akıllı! Haberi sitemizde okumak için; forummakina.com.tr/tr/haberler/de…  Dergimizin yeni dijital sayısı için; bit.ly/43syr9g  #Develon #Trimble #Asko #excavator #insaat #constructionequipment #magazine #Turkiye

forummakina's tweet image. Develon 9 Serisi ekskavatörler Trimble 3D sistemiyle şimdi daha akıllı!

Haberi sitemizde okumak için;
forummakina.com.tr/tr/haberler/de… 

Dergimizin yeni dijital sayısı için;
bit.ly/43syr9g 

#Develon #Trimble #Asko #excavator #insaat #constructionequipment #magazine #Turkiye

#Develon Wheel #Loader #SD300N Tami Wei Whatsapp/Wechat/Mobile: +86-13677247217 [email protected] Caterbe Construction Equipment (Wuhan) Co., Ltd. caterbe.com


#Develon Wheel #Loader #SD300N Tami Wei Whatsapp/Wechat/Mobile: +86-13677247217 [email protected] Caterbe Construction Equipment (Wuhan) Co., Ltd. caterbe.com

TamiWei888's tweet image. #Develon
Wheel #Loader
#SD300N

Tami Wei
Whatsapp/Wechat/Mobile: +86-13677247217
tami@caterbe.com

Caterbe Construction Equipment (Wuhan) Co., Ltd.
caterbe.com
TamiWei888's tweet image. #Develon
Wheel #Loader
#SD300N

Tami Wei
Whatsapp/Wechat/Mobile: +86-13677247217
tami@caterbe.com

Caterbe Construction Equipment (Wuhan) Co., Ltd.
caterbe.com
TamiWei888's tweet image. #Develon
Wheel #Loader
#SD300N

Tami Wei
Whatsapp/Wechat/Mobile: +86-13677247217
tami@caterbe.com

Caterbe Construction Equipment (Wuhan) Co., Ltd.
caterbe.com
TamiWei888's tweet image. #Develon
Wheel #Loader
#SD300N

Tami Wei
Whatsapp/Wechat/Mobile: +86-13677247217
tami@caterbe.com

Caterbe Construction Equipment (Wuhan) Co., Ltd.
caterbe.com

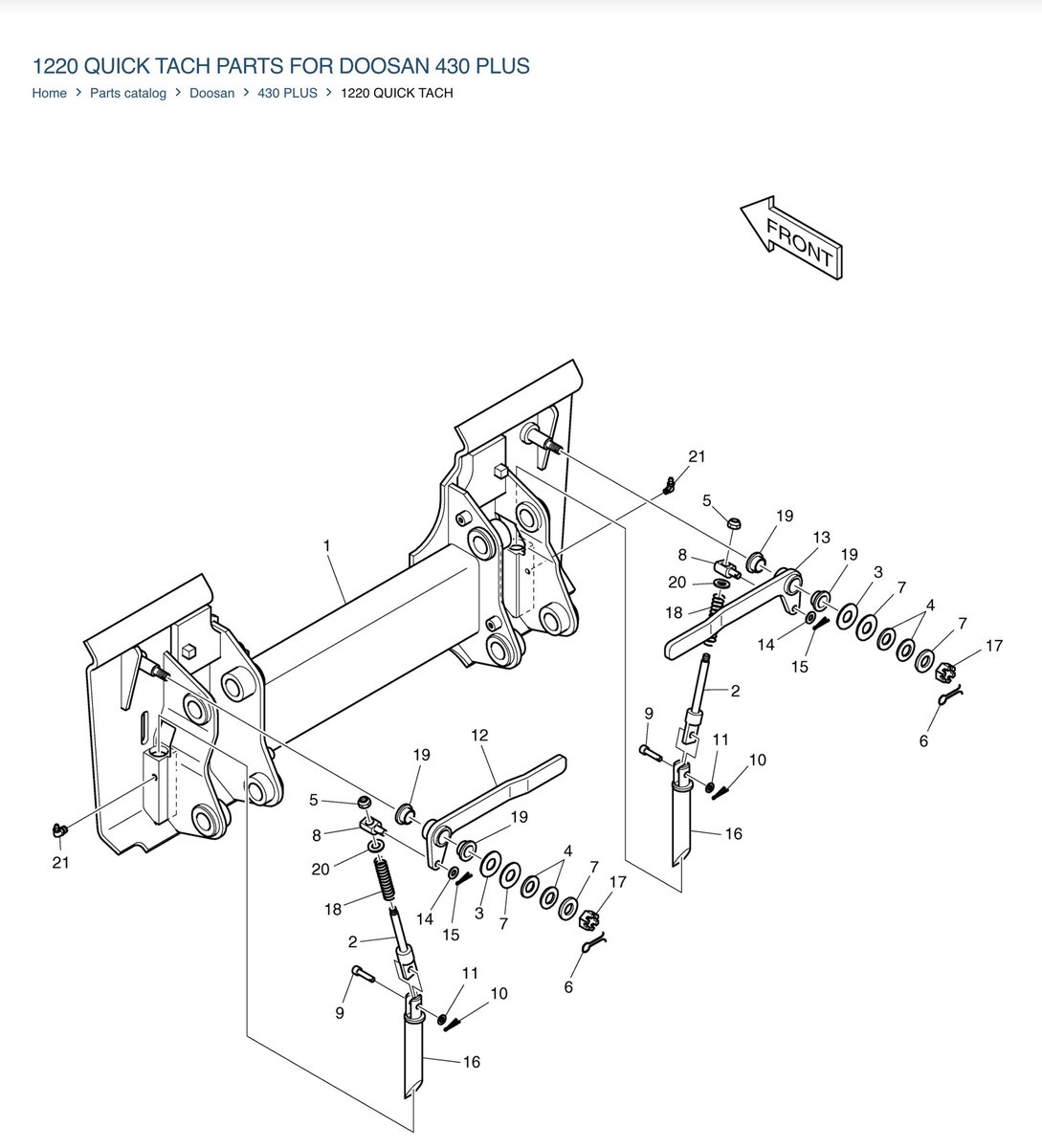
Doosan/Develon 430 Plus owners — your Quick Tach parts are now available. Pins, rods, bushings, washers & more → OEM-spec. Browse the full catalog: 🔗 buyaftermarketparts.com/catalog/doosan… #Doosan #Develon #430Plus #ExcavatorParts #HeavyEquipment

parts_buy's tweet image. Doosan/Develon 430 Plus owners — your Quick Tach parts are now available.
Pins, rods, bushings, washers & more → OEM-spec.

Browse the full catalog:
🔗 buyaftermarketparts.com/catalog/doosan…

#Doosan #Develon #430Plus #ExcavatorParts #HeavyEquipment
parts_buy's tweet image. Doosan/Develon 430 Plus owners — your Quick Tach parts are now available.
Pins, rods, bushings, washers & more → OEM-spec.

Browse the full catalog:
🔗 buyaftermarketparts.com/catalog/doosan…

#Doosan #Develon #430Plus #ExcavatorParts #HeavyEquipment

40 years of partnership between Saudi Diesel Equipment Co. and Develon — a collaboration built on strength, innovation, and shared success. Together, we continue driving progress in line with Saudi Vision 2030. #develon #saudidiesel #partnerships


#Entrevista a Jan Breburda, director de producto de #Develon para aplicaciones especiales. La #demolición se ha convertido en uno de los segmentos más dinámicos y con mayor protección de futuro del sector de la #construcción @DEVELON_Europe demolicionyreciclaje.es/demolicion-rec…

DemolicionRecic's tweet image. #Entrevista a Jan Breburda, director de producto de #Develon para aplicaciones especiales.
La  #demolición se ha convertido en uno de los segmentos más dinámicos y con  mayor protección de futuro del sector de la #construcción
@DEVELON_Europe 
demolicionyreciclaje.es/demolicion-rec…

#Develon hat die neue #Materialumschlagmaschine DX270WMH-7 mit Radantrieb vorgestellt. Herzstück sei der wassergekühlte 6-Zylinder-Turbodieselmotor DL06V der neuesten Generation, der eine Leistung von 141 kW (189 PS) bei 1900 U/min liefert. ow.ly/kxu850XpmJA


40 years of partnership between Saudi Diesel Equipment & Develon — built on strength, innovation, and shared success. Together, we drive progress in line with SaudiVision2030 🇸🇦✨ #SAUDIDIESEL #DEVELON #Innovation


Develon debuts upgraded log loaders and road builders with enhanced telematics, cab comfort, and fuel efficiency—built for North American logging. #Develon #ForestryTech zurl.co/1Vpe1


Afbraakwerken Kris de Schepper nam onlangs de eerste #Develon DX140RDM-7 #sloopmachine in gebruik. Hiermee heeft het bedrijf uit Vorselaar de primeur in de Benelux. - deloonwerker.nl/loonwerk-activ…


Clear vision = Safe operation. Ge👁️nuine DEVELON Cabin Side Mirrors now available at German Gulf Enterprises. ✔ Perfect fit for wheel loaders ✔ Superior site visibility ✔ Vibration-resistant ✔ Full warranty 📞 800-GGULF #DEVELON #GenuineParts #ConstructionSafety #UAE

GermanGulfEnt's tweet image. Clear vision = Safe operation. 
Ge👁️nuine DEVELON Cabin Side Mirrors now available at German Gulf Enterprises.
✔ Perfect fit for wheel loaders
✔ Superior site visibility
✔ Vibration-resistant
✔ Full warranty
📞 800-GGULF
#DEVELON #GenuineParts #ConstructionSafety #UAE

#Doosan #Develon New Model #DX210 Tami Wei Whatsapp/Wechat/Mobile: +86-13677247217 E-mail: [email protected]


#Doosan #Develon #DX225LC #DX60W Tami Wei Whatsapp/Wechat/Mobile: +86-13677247217 E-mail: [email protected]

TamiWei888's tweet image. #Doosan
#Develon
#DX225LC
#DX60W

Tami Wei
Whatsapp/Wechat/Mobile: +86-13677247217
E-mail: tami@caterbe.com
TamiWei888's tweet image. #Doosan
#Develon
#DX225LC
#DX60W

Tami Wei
Whatsapp/Wechat/Mobile: +86-13677247217
E-mail: tami@caterbe.com
TamiWei888's tweet image. #Doosan
#Develon
#DX225LC
#DX60W

Tami Wei
Whatsapp/Wechat/Mobile: +86-13677247217
E-mail: tami@caterbe.com
TamiWei888's tweet image. #Doosan
#Develon
#DX225LC
#DX60W

Tami Wei
Whatsapp/Wechat/Mobile: +86-13677247217
E-mail: tami@caterbe.com

#Doosan #Develon #DX60D #DX75 #DX130 #DX210W Tami Wei Whatsapp/Wechat/Mobile: +86-13677247217 E-mail: [email protected]

TamiWei888's tweet image. #Doosan
#Develon
#DX60D
#DX75
#DX130
#DX210W

Tami Wei
Whatsapp/Wechat/Mobile: +86-13677247217
E-mail: tami@caterbe.com
TamiWei888's tweet image. #Doosan
#Develon
#DX60D
#DX75
#DX130
#DX210W

Tami Wei
Whatsapp/Wechat/Mobile: +86-13677247217
E-mail: tami@caterbe.com
TamiWei888's tweet image. #Doosan
#Develon
#DX60D
#DX75
#DX130
#DX210W

Tami Wei
Whatsapp/Wechat/Mobile: +86-13677247217
E-mail: tami@caterbe.com
TamiWei888's tweet image. #Doosan
#Develon
#DX60D
#DX75
#DX130
#DX210W

Tami Wei
Whatsapp/Wechat/Mobile: +86-13677247217
E-mail: tami@caterbe.com

#Doosan #Develon 36 Ton Mining Crawler Excavator #DX360LCA-7B Tami Wei Whatsapp/Wechat/Mobile: +86-13677247217 E-mail: [email protected]


No hay resultados para "#develon"
Loading...

Something went wrong.


Something went wrong.


United States Trends