#synthdiy результаты поиска

i made a really neat vco Based on a CD40106 Schmitt trigger ic #synthdiy

Catshark07's tweet image. i made a really neat vco
Based on a CD40106 Schmitt trigger ic 
#synthdiy
Catshark07's tweet image. i made a really neat vco
Based on a CD40106 Schmitt trigger ic 
#synthdiy

DIY Lunetta modular synth and arduino sequencer (2019) #synthDIY #synthesizer

OB_X_'s tweet image. DIY Lunetta modular synth and arduino sequencer (2019) 
#synthDIY #synthesizer

Playing some spooky sounds on my #synthdiy wiggler


Just got reverb working on my #synthdiy wiggle synthesizer! The idea is to be expressive by pressing for emphasis and wiggling for #vibrato


New startup animation for TŒRN #teensy #diysynth #synthdiy More info: toern.live


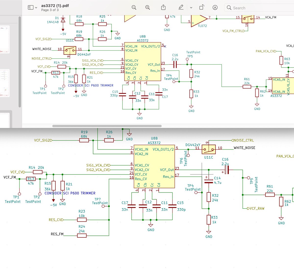
Resonance is for the worse between v0.1 and v0.2 boards, with v0.2 having poor rez. No self oscillation. Glaring differences are going from a 2.2u cap common between paths in v0.1 and a split path 2.2u / 4.7u in v0.2 which is what the datasheet recommends. #AS3372 #SynthDIY

ultratroninator's tweet image. Resonance is for the worse between v0.1 and v0.2 boards, with v0.2 having poor rez. No self oscillation.  Glaring differences are going from a 2.2u cap common between paths in v0.1 and a split path 2.2u / 4.7u in v0.2 which is what the datasheet recommends.  #AS3372 #SynthDIY

DIY Modular synthesizer (2020) #SynthDIY #SDIY #Synthesizer

OB_X_'s tweet image. DIY Modular synthesizer (2020)
#SynthDIY #SDIY #Synthesizer

An inexpensive wooden box, a contact mic, a preamp, an envelope follower and some spare parts are all you need to build this quick and easy “string” based controller! What are some of your favorite #synthdiy projects? Let us know in the comments!! #modularsynth #eurorack


Interpolating between band limited waveforms. #eurorack #synthdiy


What could possibly go wrong #synthdiy

WhiRecordings's tweet image. What could possibly go wrong #synthdiy

staring at my never released little synths, all my energies going into one thing only and it's creatively frustrating at times 🥲 #synthDIY

andreintg's tweet image. staring at my never released little synths, all my energies going into one thing only and it's creatively frustrating at times 🥲
#synthDIY
andreintg's tweet image. staring at my never released little synths, all my energies going into one thing only and it's creatively frustrating at times 🥲
#synthDIY

We have been wanting to try different coloured PCBs for ages so we made a limited edition red version of the Chernobylizer :) Very happy how it turned out. You can get one as a kit or pre-soldered, ltd to 15 in red! etsy.com/uk/listing/151… #harshnoise #noisesynth #synthdiy


配線チェック完了。とりあえずこれで注文してみるか。おしゃれなパネル作るセンスはないので、本当に最低限な感じで。 #自作モジュラーシンセ #SynthDIY

toraneko0817's tweet image. 配線チェック完了。とりあえずこれで注文してみるか。おしゃれなパネル作るセンスはないので、本当に最低限な感じで。

#自作モジュラーシンセ #SynthDIY

配線チェック完了。とりあえずこれで注文してみるか。おしゃれなパネル作るセンスはないので、本当に最低限な感じで。 #自作モジュラーシンセ #SynthDIY

toraneko0817's tweet image. 配線チェック完了。とりあえずこれで注文してみるか。おしゃれなパネル作るセンスはないので、本当に最低限な感じで。

#自作モジュラーシンセ #SynthDIY

Here is my latest finished module, the Linkz a DIY throughole version of Mutable Instruments Links. a utitlity module that can be quite good to have in your rack #diymodular #synthdiy youtu.be/UwTxm2Abqs0

SourceryOne's tweet card. Introducing the Linkz - a DIY throughhole version of the Mutable...

youtube.com

YouTube

Introducing the Linkz - a DIY throughhole version of the Mutable...


New startup animation for TŒRN #teensy #diysynth #synthdiy More info: toern.live


I built a Basilisk from WireHead Instruments and here's my exhaustive (ing) build video taking you through every step to bring this little monster to life youtu.be/a_Pq69aGJNw #synth #synthdiy

MoltenMusicTech's tweet card. Wirehead Instruments Basilisk DIY Build

youtube.com

YouTube

Wirehead Instruments Basilisk DIY Build


New Post: POLYKIT DIY synth voice is complete #eurorack #synthdiy #analog dlvr.it/TGD19m

matrixsynth's tweet image. New Post:  POLYKIT DIY synth voice is complete #eurorack #synthdiy #analog dlvr.it/TGD19m

i made a really neat vco Based on a CD40106 Schmitt trigger ic #synthdiy

Catshark07's tweet image. i made a really neat vco
Based on a CD40106 Schmitt trigger ic 
#synthdiy
Catshark07's tweet image. i made a really neat vco
Based on a CD40106 Schmitt trigger ic 
#synthdiy

DIY Lunetta modular synth and arduino sequencer (2019) #synthDIY #synthesizer

OB_X_'s tweet image. DIY Lunetta modular synth and arduino sequencer (2019) 
#synthDIY #synthesizer

DIY Modular synthesizer (2020) #SynthDIY #SDIY #Synthesizer

OB_X_'s tweet image. DIY Modular synthesizer (2020)
#SynthDIY #SDIY #Synthesizer

Resonance is for the worse between v0.1 and v0.2 boards, with v0.2 having poor rez. No self oscillation. Glaring differences are going from a 2.2u cap common between paths in v0.1 and a split path 2.2u / 4.7u in v0.2 which is what the datasheet recommends. #AS3372 #SynthDIY

ultratroninator's tweet image. Resonance is for the worse between v0.1 and v0.2 boards, with v0.2 having poor rez. No self oscillation.  Glaring differences are going from a 2.2u cap common between paths in v0.1 and a split path 2.2u / 4.7u in v0.2 which is what the datasheet recommends.  #AS3372 #SynthDIY

配線チェック完了。とりあえずこれで注文してみるか。おしゃれなパネル作るセンスはないので、本当に最低限な感じで。 #自作モジュラーシンセ #SynthDIY

toraneko0817's tweet image. 配線チェック完了。とりあえずこれで注文してみるか。おしゃれなパネル作るセンスはないので、本当に最低限な感じで。

#自作モジュラーシンセ #SynthDIY

Awesome little power supply PCBs by #sistorsynths @CBullockAudio #synthdiy 🤘🎛️

WhiRecordings's tweet image. Awesome little power supply PCBs by #sistorsynths @CBullockAudio #synthdiy 🤘🎛️
WhiRecordings's tweet image. Awesome little power supply PCBs by #sistorsynths @CBullockAudio #synthdiy 🤘🎛️

New Post: Eigenbau: Polyphoner Synthesizer | Eindrücke & Sound | #SynthDIY #Arduino Mozzi Based DIY Synth dlvr.it/SxxXXf

matrixsynth's tweet image. New Post:  Eigenbau: Polyphoner Synthesizer | Eindrücke & Sound | #SynthDIY #Arduino Mozzi Based DIY Synth dlvr.it/SxxXXf

What could possibly go wrong #synthdiy

WhiRecordings's tweet image. What could possibly go wrong #synthdiy

New Post: Wiggler - Expressive Synth using Daisy Seed and Flexure #synthdiy dlvr.it/SkddTC

matrixsynth's tweet image. New Post:  Wiggler - Expressive Synth using Daisy Seed and Flexure #synthdiy dlvr.it/SkddTC

New Post: POLYKIT DIY synth voice is complete #eurorack #synthdiy #analog dlvr.it/TGD19m

matrixsynth's tweet image. New Post:  POLYKIT DIY synth voice is complete #eurorack #synthdiy #analog dlvr.it/TGD19m

MiniLFO v1.1 works!! Demos coming soon. Boards sponsored by @PCBWayOfficial 🤘 #synthdiy #maker #makersgonnamake #electronics

BenjieJiao's tweet image. MiniLFO v1.1 works!! Demos coming soon. 

Boards sponsored by @PCBWayOfficial 🤘

#synthdiy #maker #makersgonnamake #electronics

Thank you so much for hooking us up with soldering equipment for this workshop, @makerlab_e! #synthdiy #maker #makerlabelectronics #makeitmakerlab

BenjieJiao's tweet image. Thank you so much for hooking us up with soldering equipment for this workshop, @makerlab_e!

#synthdiy #maker #makerlabelectronics #makeitmakerlab

About to hop on a call to shoot a podcast episode with @pnpmodular!! #synthdiy #maker #makersgonnamake

BenjieJiao's tweet image. About to hop on a call to shoot a podcast episode with @pnpmodular!! 

#synthdiy #maker #makersgonnamake

Loading...

Something went wrong.


Something went wrong.


United States Trends