ScienceVisionRE's profile picture. Semiconductor Reverse Engineering-Circuit extraction & Analysis-Process Analysis-Technical Competitive Analysis-Providing Evidence for Patent Infringement

Science Vision

@ScienceVisionRE

Semiconductor Reverse Engineering-Circuit extraction & Analysis-Process Analysis-Technical Competitive Analysis-Providing Evidence for Patent Infringement

Joyeuses fêtes à nos clients, Happy holidays to all


hierarchical schematics circuit reports with pricing dropbox.com/s/0t4gd1rml7tq… contact if interested


Qualcomm WTR3925 TX RX circuit analysis reports available, TOC at dropbox.com/sh/skiytgxujdq…


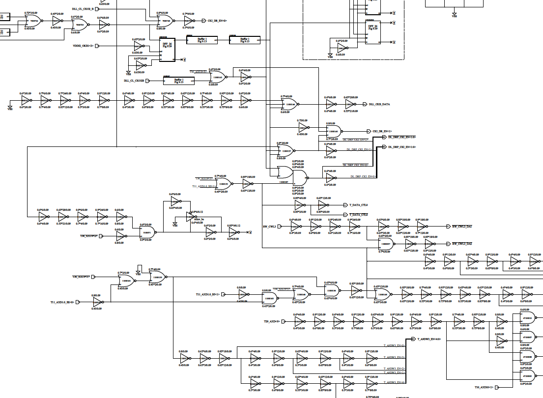
Atmel AT30TSE004A temperature #sensor integrated EEPROM circuit analysis report available sciencevisionre.com

ScienceVisionRE's tweet image. Atmel AT30TSE004A temperature #sensor integrated EEPROM circuit analysis report available sciencevisionre.com

@ScienceVisionRE introducing LIVE reverse engineering support you ask we answer in one click sciencevisionre.com

ScienceVisionRE's tweet image. @ScienceVisionRE introducing LIVE reverse engineering support you ask we answer in one click sciencevisionre.com

Rafael Micro R840 Digital silicon #tv_tuner #RF table of contents available for review at sciencevisionre.com/rafael-micro.h…

ScienceVisionRE's tweet image. Rafael Micro R840 Digital silicon #tv_tuner #RF table of contents available for review at sciencevisionre.com/rafael-micro.h…

@ScienceVisionRE providing live-time 24/7 customer support, visit sciencevisionre.com click LIVE RE SUPPORT

ScienceVisionRE's tweet image. @ScienceVisionRE providing live-time 24/7 customer support, visit sciencevisionre.com  click LIVE RE SUPPORT

Rafael Micro Digital TV Tuner R840 full chip circuit analysis report available sciencevisionre.com/rafael-micro.h…

ScienceVisionRE's tweet image. Rafael Micro Digital TV Tuner R840 full chip circuit analysis report available sciencevisionre.com/rafael-micro.h…

#Samsung 2rd generation V-NAND Flash data path & address under analyzing #SSD sciencevisionre.com/samsung-v-nand…

ScienceVisionRE's tweet image. #Samsung 2rd generation V-NAND Flash data path & address under analyzing #SSD sciencevisionre.com/samsung-v-nand…

Science Vision reposted

China’s Tsinghua Unigroup makes $23-billon bid for U.S. chip maker Micron on.wsj.com/1DduUWV

WSJ's tweet image. China’s Tsinghua Unigroup makes $23-billon bid for U.S. chip maker Micron on.wsj.com/1DduUWV

STMicroelectronics VL6180X Proximity sensor circuit analysis report available soon, order at sciencevisionre.com

ScienceVisionRE's tweet image. STMicroelectronics VL6180X Proximity sensor circuit analysis report available soon, order at sciencevisionre.com

Science Vision reposted

#Apple has been granted a #patent that will make it easier to share headphones with a friend and improve listening. buff.ly/1K8Rq9X


United States Trends

Loading...

Something went wrong.


Something went wrong.