#spacecomms search results

Deep-space comms getting stronger! 📡👏 Congrats, @esa more bandwidth for science across the Solar System. #Estrack #DeepSpace #SpaceComms #EnablingSpace #SERASpace

vfernandow's tweet image. Deep-space comms getting stronger! 📡👏
Congrats, @esa more bandwidth for science across the Solar System.
#Estrack #DeepSpace #SpaceComms #EnablingSpace #SERASpace

New logos at our Control Centre. 🇫🇷🇬🇧 #spacecomms

F5VMJ's tweet image. New logos at our Control Centre. 🇫🇷🇬🇧 #spacecomms

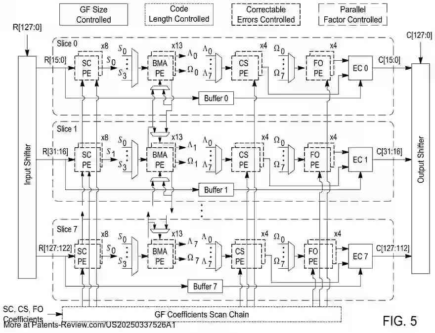
🚀 New patent application #US20250337526A1 by #RegentsOfUMich introduces a reconfigurable Galois Field FEC decoder for optical #SpaceComms. 📡 Capable of decoding BCH, RS, Staircase, and oFEC codes, it offers adaptive intersatellite communication. 🔄 Features include…

PatentPulse's tweet image. 🚀 New patent application #US20250337526A1 by #RegentsOfUMich introduces a reconfigurable Galois Field FEC decoder for optical #SpaceComms. 
  
📡 Capable of decoding BCH, RS, Staircase, and oFEC codes, it offers adaptive intersatellite communication. 
  
🔄 Features include…
PatentPulse's tweet image. 🚀 New patent application #US20250337526A1 by #RegentsOfUMich introduces a reconfigurable Galois Field FEC decoder for optical #SpaceComms. 
  
📡 Capable of decoding BCH, RS, Staircase, and oFEC codes, it offers adaptive intersatellite communication. 
  
🔄 Features include…
PatentPulse's tweet image. 🚀 New patent application #US20250337526A1 by #RegentsOfUMich introduces a reconfigurable Galois Field FEC decoder for optical #SpaceComms. 
  
📡 Capable of decoding BCH, RS, Staircase, and oFEC codes, it offers adaptive intersatellite communication. 
  
🔄 Features include…

Day 1: Defence In Space Conference 2025, London. #Defence #spacecomms #militarytech

38arcus's tweet image. Day 1: Defence In Space Conference 2025, London.
#Defence #spacecomms #militarytech
38arcus's tweet image. Day 1: Defence In Space Conference 2025, London.
#Defence #spacecomms #militarytech
38arcus's tweet image. Day 1: Defence In Space Conference 2025, London.
#Defence #spacecomms #militarytech
38arcus's tweet image. Day 1: Defence In Space Conference 2025, London.
#Defence #spacecomms #militarytech

🚀 Researchers from #SpaceComms and #MWI groups shared their work at #IAC2025, organized by @iafastro in Sydney 🗣️ They gave 6 talks on #NonTerrestrialNetworks for #6G and presented the 🛰️#6GStarLab, Europe's 1st low-orbit 6G open research laboratory #i2CATResearch #SpaceWeek

i2CAT's tweet image. 🚀 Researchers from #SpaceComms and #MWI groups shared their work at #IAC2025, organized by @iafastro in Sydney

🗣️ They gave 6 talks on #NonTerrestrialNetworks for #6G and presented the 🛰️#6GStarLab, Europe's 1st low-orbit 6G open research laboratory

#i2CATResearch #SpaceWeek
i2CAT's tweet image. 🚀 Researchers from #SpaceComms and #MWI groups shared their work at #IAC2025, organized by @iafastro in Sydney

🗣️ They gave 6 talks on #NonTerrestrialNetworks for #6G and presented the 🛰️#6GStarLab, Europe's 1st low-orbit 6G open research laboratory

#i2CATResearch #SpaceWeek
i2CAT's tweet image. 🚀 Researchers from #SpaceComms and #MWI groups shared their work at #IAC2025, organized by @iafastro in Sydney

🗣️ They gave 6 talks on #NonTerrestrialNetworks for #6G and presented the 🛰️#6GStarLab, Europe's 1st low-orbit 6G open research laboratory

#i2CATResearch #SpaceWeek
i2CAT's tweet image. 🚀 Researchers from #SpaceComms and #MWI groups shared their work at #IAC2025, organized by @iafastro in Sydney

🗣️ They gave 6 talks on #NonTerrestrialNetworks for #6G and presented the 🛰️#6GStarLab, Europe's 1st low-orbit 6G open research laboratory

#i2CATResearch #SpaceWeek

🎙️ Marcel Marín de l'equip d'#SpaceComms a #i2CAT va explicar com els satèl·lits milloren seguiment i control del territori, així com la cobertura en zones d'ombra 🎙️ Isaac Llorens de @sateliot i Guillem Sánchez d'@isardSAT han presentat exemples de transformació en sectors clau

i2CAT's tweet image. 🎙️ Marcel Marín de l'equip d'#SpaceComms a #i2CAT va explicar com els satèl·lits milloren seguiment i control del territori, així com la cobertura en zones d'ombra

🎙️ Isaac Llorens de @sateliot i Guillem Sánchez d'@isardSAT han presentat exemples de transformació en sectors clau
i2CAT's tweet image. 🎙️ Marcel Marín de l'equip d'#SpaceComms a #i2CAT va explicar com els satèl·lits milloren seguiment i control del territori, així com la cobertura en zones d'ombra

🎙️ Isaac Llorens de @sateliot i Guillem Sánchez d'@isardSAT han presentat exemples de transformació en sectors clau
i2CAT's tweet image. 🎙️ Marcel Marín de l'equip d'#SpaceComms a #i2CAT va explicar com els satèl·lits milloren seguiment i control del territori, així com la cobertura en zones d'ombra

🎙️ Isaac Llorens de @sateliot i Guillem Sánchez d'@isardSAT han presentat exemples de transformació en sectors clau

🚀 Intuitive Machines is taking lunar exploration up a notch! By upgrading its data transmission services, it's set to deliver faster, more reliable #spacecomms for missions to the Moon and beyond. With cutting-edge tech, this Houston-based innovator is bridging communication…

Space_News_Guru's tweet image. 🚀 Intuitive Machines is taking lunar exploration up a notch! By upgrading its data transmission services, it's set to deliver faster, more reliable #spacecomms for missions to the Moon and beyond. With cutting-edge tech, this Houston-based innovator is bridging communication…

Did you know? Telstar 1 was developed by American Telephone and Telegraph Company (AT&T). AT&T once used this satellite to test the basics of space communication! 🚀📡 #ThrowbackTech #SpaceComms

tribunephl's tweet image. Did you know? 

Telstar 1 was developed by American Telephone and Telegraph Company (AT&T). AT&T once used this satellite to test the basics of space communication! 🚀📡 

#ThrowbackTech #SpaceComms

🌍 Communications will be handled by Goonhilly Earth Station in the UK, featuring a 32m diameter dish! #SpaceComms #Goonhilly #XiProtocol $XI #Doge1

XiCommunity's tweet image. 🌍 Communications will be handled by Goonhilly Earth Station in the UK, featuring a 32m diameter dish! #SpaceComms #Goonhilly #XiProtocol $XI #Doge1

Yes / but don’t call it a phone / #SpaceComms or #XComms


For @Forbes, Ed Fox contributes his insights on how and why LEO (low Earth orbit) satellite services such as Starlink are part of the solution to the growing demand for "always on, anywhere" connectivity. Read here: hubs.la/Q02SXBBN0 #SpaceComms #LEO #Satellites #Forbes

OneMetTel's tweet image. For @Forbes, Ed Fox contributes his insights on how and why LEO (low Earth orbit) satellite services such as Starlink are part of the solution to the growing demand for "always on, anywhere" connectivity.

Read here: hubs.la/Q02SXBBN0

#SpaceComms #LEO #Satellites #Forbes

📡 Ever wondered what "73" means in amateur radio satellite communication? It's shorthand for "best regards"—a friendly sign-off that brings every conversation to a close with respect and camaraderie. #HamRadio #SpaceComms 🚀✨📶

The best number is 73. 73 is the 21st prime number. Its mirror (37) is the 12th and its mirror (21) is the product of multiplying 7 and 3. In binary, 73 is a palindrome, 1001001 which backwards is 1001001.

Rainmaker1973's tweet image. The best number is 73. 

73 is the 21st prime number. 

Its mirror (37) is the 12th and its mirror (21) is the product of multiplying 7 and 3. 

In binary, 73 is a palindrome, 1001001 which backwards is 1001001.


NOW AVAILABLE! The guarDSMan digital software modem connects satellite to ground communications at data rates up to 2 Gbps. Yes, you read that right – up to 2 Gbps! Learn more here. GDMissionSystems.com/Products/Satel… #guarDSMan #spacecomms #modem #fullduplex

GDMS's tweet image. NOW AVAILABLE! The guarDSMan digital software modem connects satellite to ground communications at data rates up to 2 Gbps. 

Yes, you read that right – up to 2 Gbps! Learn more here.

GDMissionSystems.com/Products/Satel… 

#guarDSMan #spacecomms #modem #fullduplex

Meet Blue Origin's Mars Telecommunications Orbiter (MTO), a high-performance spacecraft built upon our existing and affordable Blue Ring platform that is ready to support NASA’s Mars mission in 2028. The orbiter builds upon Blue Origin’s Mars Next-Generation Relay and Mars Sample…



🚀 Hughes is hitting the road! Catch us at these top industry events, from #retailtech to #cybersecurity & #spacecomms. Let’s connect! 💬 📍 @shoptalk 📍 @FutureConHQ 📍 @CyberSummitUSA 📍 @SpaceFoundation Space Symposium 🔗 hughes.com/resources/even… #Connectivity #SpaceTech


📢 #i2CATalent | The #SpaceComms Group Director, Joan A. Ruiz-de-Azua, is the new SatCom Working Group Vice Chairman at @NetworldEurope! 🛰️🌍 ℹ️NetworldEurope promotes the Strategic R&I Agenda (SRIA), which provides a clear roadmap for the @EU_Commission R&I programmes.

i2CAT's tweet image. 📢 #i2CATalent | The #SpaceComms Group Director, Joan A. Ruiz-de-Azua, is the new SatCom Working Group Vice Chairman at @NetworldEurope! 🛰️🌍

ℹ️NetworldEurope promotes the Strategic R&I Agenda (SRIA), which provides a clear roadmap for the @EU_Commission R&I programmes.

💡 Yesterday, the department of Network Engineering @ENTEL_UPC of @la_UPC organized the 3rd Network Engineering Day #NErD24, a workshop on Communication Networks where some #i2CAT researchers presented their TFMs: Isabel Gallardo from the #SpaceComms area and Suneel Kumar from…

i2CAT's tweet image. 💡 Yesterday, the department of Network Engineering @ENTEL_UPC of @la_UPC organized the 3rd Network Engineering Day #NErD24, a workshop on Communication Networks where some #i2CAT researchers presented their TFMs: Isabel Gallardo from the #SpaceComms area and Suneel Kumar from…

🚀 SPACE COMMS PRESS RELEASE 🌐 We are proud to have played a role in the groundbreaking laser communication Cubesat system within the TNO consortium in Europe. READ HERE: hubs.ly/Q02jqf1m0 #SpaceComms #Photonics #LaserComms #PhotonicsWest2024 #PhotonicsWest

ghphotonics's tweet image. 🚀 SPACE COMMS PRESS RELEASE 🌐
We are proud to have played a role in the groundbreaking laser communication Cubesat system within the TNO consortium in Europe.

READ HERE: hubs.ly/Q02jqf1m0

#SpaceComms #Photonics #LaserComms #PhotonicsWest2024 #PhotonicsWest

🚀 New patent application #US20250337526A1 by #RegentsOfUMich introduces a reconfigurable Galois Field FEC decoder for optical #SpaceComms. 📡 Capable of decoding BCH, RS, Staircase, and oFEC codes, it offers adaptive intersatellite communication. 🔄 Features include…

PatentPulse's tweet image. 🚀 New patent application #US20250337526A1 by #RegentsOfUMich introduces a reconfigurable Galois Field FEC decoder for optical #SpaceComms. 
  
📡 Capable of decoding BCH, RS, Staircase, and oFEC codes, it offers adaptive intersatellite communication. 
  
🔄 Features include…
PatentPulse's tweet image. 🚀 New patent application #US20250337526A1 by #RegentsOfUMich introduces a reconfigurable Galois Field FEC decoder for optical #SpaceComms. 
  
📡 Capable of decoding BCH, RS, Staircase, and oFEC codes, it offers adaptive intersatellite communication. 
  
🔄 Features include…
PatentPulse's tweet image. 🚀 New patent application #US20250337526A1 by #RegentsOfUMich introduces a reconfigurable Galois Field FEC decoder for optical #SpaceComms. 
  
📡 Capable of decoding BCH, RS, Staircase, and oFEC codes, it offers adaptive intersatellite communication. 
  
🔄 Features include…

Day 1: Defence In Space Conference 2025, London. #Defence #spacecomms #militarytech

38arcus's tweet image. Day 1: Defence In Space Conference 2025, London.
#Defence #spacecomms #militarytech
38arcus's tweet image. Day 1: Defence In Space Conference 2025, London.
#Defence #spacecomms #militarytech
38arcus's tweet image. Day 1: Defence In Space Conference 2025, London.
#Defence #spacecomms #militarytech
38arcus's tweet image. Day 1: Defence In Space Conference 2025, London.
#Defence #spacecomms #militarytech

Deep-space comms getting stronger! 📡👏 Congrats, @esa more bandwidth for science across the Solar System. #Estrack #DeepSpace #SpaceComms #EnablingSpace #SERASpace

vfernandow's tweet image. Deep-space comms getting stronger! 📡👏
Congrats, @esa more bandwidth for science across the Solar System.
#Estrack #DeepSpace #SpaceComms #EnablingSpace #SERASpace

🚀 Researchers from #SpaceComms and #MWI groups shared their work at #IAC2025, organized by @iafastro in Sydney 🗣️ They gave 6 talks on #NonTerrestrialNetworks for #6G and presented the 🛰️#6GStarLab, Europe's 1st low-orbit 6G open research laboratory #i2CATResearch #SpaceWeek

i2CAT's tweet image. 🚀 Researchers from #SpaceComms and #MWI groups shared their work at #IAC2025, organized by @iafastro in Sydney

🗣️ They gave 6 talks on #NonTerrestrialNetworks for #6G and presented the 🛰️#6GStarLab, Europe's 1st low-orbit 6G open research laboratory

#i2CATResearch #SpaceWeek
i2CAT's tweet image. 🚀 Researchers from #SpaceComms and #MWI groups shared their work at #IAC2025, organized by @iafastro in Sydney

🗣️ They gave 6 talks on #NonTerrestrialNetworks for #6G and presented the 🛰️#6GStarLab, Europe's 1st low-orbit 6G open research laboratory

#i2CATResearch #SpaceWeek
i2CAT's tweet image. 🚀 Researchers from #SpaceComms and #MWI groups shared their work at #IAC2025, organized by @iafastro in Sydney

🗣️ They gave 6 talks on #NonTerrestrialNetworks for #6G and presented the 🛰️#6GStarLab, Europe's 1st low-orbit 6G open research laboratory

#i2CATResearch #SpaceWeek
i2CAT's tweet image. 🚀 Researchers from #SpaceComms and #MWI groups shared their work at #IAC2025, organized by @iafastro in Sydney

🗣️ They gave 6 talks on #NonTerrestrialNetworks for #6G and presented the 🛰️#6GStarLab, Europe's 1st low-orbit 6G open research laboratory

#i2CATResearch #SpaceWeek

Meet Blue Origin's Mars Telecommunications Orbiter (MTO), a high-performance spacecraft built upon our existing and affordable Blue Ring platform that is ready to support NASA’s Mars mission in 2028. The orbiter builds upon Blue Origin’s Mars Next-Generation Relay and Mars Sample…



#LynkGlobal’s SPAC stumbles. #SPAC fatigue + capex-heavy #spacecomms = a tough sell in today's market.


No hype. Just hard truths and serious signals. 🎧Available now on all major platforms. #TechCommandInvesting #SpaceComms #LaserComms


🔐Implementing DTN with BPv7? Security matters. RFC 7242 = for BPv6. Use RFC 9172 (BPSec) + 9173 (BIB/PCB) for BPv7 integrity & confidentiality. Skip for PoC, but mandatory in production. #DTN #SpaceComms #BPv7 #Security #RFC

🔐BPv7でDTN実装する人へ: 「セキュリティは?」と聞かれたら👇 RFC 7242はBPv6用。 BPv7では RFC 9172(BPSec)+9173(BIB/PCB)で対応。 PoCでは省略もOK。本番では“ほぼ必須”。 #DTN #宇宙通信 #BPv7



🚀✈️ Aviation history has been made! Startical, founded by ENAIRE & Indra, has achieved real-time voice communication between pilots & air traffic controllers via satellite! 🌍📡 This milestone, using IOD-1, marks a new era in aviation. #AviationInnovation #SpaceComms #ECHOESPr


Czech companies are creating solutions for space-based telecommunications, offering faster, more secure communication systems for space missions, military operations, and global networks. #SpaceComms #Telecommunications


Cyprus is increasing its investment in space-based telecommunications, improving internet connectivity and global communication capabilities through satellite systems. #SpaceComms #Telecommunications


🗣️Nuestro investigador del Grupo en #SpaceComms Arnau Singla ha intervenido en @5G_FORUM para explicar el papel de las Redes No Terrestres (NTN) como habilitadoras clave del #5G avanzado y del futuro #6G 📡Las #NTN facilitarán una conectividad global y resiliente #i2CATResearch

i2CAT's tweet image. 🗣️Nuestro investigador del Grupo en #SpaceComms Arnau Singla ha intervenido en @5G_FORUM para explicar el papel de las Redes No Terrestres (NTN) como habilitadoras clave del #5G avanzado y del futuro #6G

📡Las #NTN facilitarán una conectividad global y resiliente

#i2CATResearch
i2CAT's tweet image. 🗣️Nuestro investigador del Grupo en #SpaceComms Arnau Singla ha intervenido en @5G_FORUM para explicar el papel de las Redes No Terrestres (NTN) como habilitadoras clave del #5G avanzado y del futuro #6G

📡Las #NTN facilitarán una conectividad global y resiliente

#i2CATResearch

📢 #i2CATalent | The #SpaceComms Group Director, Joan A. Ruiz-de-Azua, is the new SatCom Working Group Vice Chairman at @NetworldEurope! 🛰️🌍 ℹ️NetworldEurope promotes the Strategic R&I Agenda (SRIA), which provides a clear roadmap for the @EU_Commission R&I programmes.

i2CAT's tweet image. 📢 #i2CATalent | The #SpaceComms Group Director, Joan A. Ruiz-de-Azua, is the new SatCom Working Group Vice Chairman at @NetworldEurope! 🛰️🌍

ℹ️NetworldEurope promotes the Strategic R&I Agenda (SRIA), which provides a clear roadmap for the @EU_Commission R&I programmes.

🚀 Hughes is hitting the road! Catch us at these top industry events, from #retailtech to #cybersecurity & #spacecomms. Let’s connect! 💬 📍 @shoptalk 📍 @FutureConHQ 📍 @CyberSummitUSA 📍 @SpaceFoundation Space Symposium 🔗 hughes.com/resources/even… #Connectivity #SpaceTech


📡The HDRTx-1.5 X-band transmitter ensures smooth, high-speed LEO comms for your satellite.🌍 ➡️ DVB-S2 encoding ➡️ 150 Msps/channel ➡️ Temp range: -10°C to +50°C, 8-year lifespan 🔗 Learn more: dragonflyaerospace.com/components/hdr… #SatelliteTech #SatelliteComms #SpaceComms #HighSpeedData


🌕 Today, learn more about securing communications in space via #cybersecurity at Tech Up Nights @TechBarcelona Vol.16! 🛰️ 🗣️ Elena Fernández, researcher and PhD Candidate at #i2CAT's #SpaceComms research group 📢 Registration 🔗 techbarcelona.com/event/tech-up-…

i2CAT's tweet image. 🌕 Today, learn more about securing communications in space via #cybersecurity at Tech Up Nights @TechBarcelona Vol.16! 🛰️

🗣️ Elena Fernández, researcher and PhD Candidate at #i2CAT's #SpaceComms research group

📢 Registration 🔗 techbarcelona.com/event/tech-up-…

🌙 Demà a #TechNigths de @TechBarcelona, l'Elena Fernández, reseacher de l'equip d'#SpaceComms, impartirà la xerrada 'How to secure communications in space? Applying cybersecurity to inter-satellite links' amb Juan Grosso d'#OsmiumSolutions ✏️go.i2cat.net/TechNights16 #i2CATalent

i2CAT's tweet image. 🌙 Demà a #TechNigths de @TechBarcelona, l'Elena Fernández, reseacher de l'equip d'#SpaceComms, impartirà la xerrada 'How to secure communications in space? Applying cybersecurity to inter-satellite links' amb Juan Grosso d'#OsmiumSolutions

✏️go.i2cat.net/TechNights16

#i2CATalent

New logos at our Control Centre. 🇫🇷🇬🇧 #spacecomms

F5VMJ's tweet image. New logos at our Control Centre. 🇫🇷🇬🇧 #spacecomms

Deep-space comms getting stronger! 📡👏 Congrats, @esa more bandwidth for science across the Solar System. #Estrack #DeepSpace #SpaceComms #EnablingSpace #SERASpace

vfernandow's tweet image. Deep-space comms getting stronger! 📡👏
Congrats, @esa more bandwidth for science across the Solar System.
#Estrack #DeepSpace #SpaceComms #EnablingSpace #SERASpace

Day 1: Defence In Space Conference 2025, London. #Defence #spacecomms #militarytech

38arcus's tweet image. Day 1: Defence In Space Conference 2025, London.
#Defence #spacecomms #militarytech
38arcus's tweet image. Day 1: Defence In Space Conference 2025, London.
#Defence #spacecomms #militarytech
38arcus's tweet image. Day 1: Defence In Space Conference 2025, London.
#Defence #spacecomms #militarytech
38arcus's tweet image. Day 1: Defence In Space Conference 2025, London.
#Defence #spacecomms #militarytech

🎙️ Marcel Marín de l'equip d'#SpaceComms a #i2CAT va explicar com els satèl·lits milloren seguiment i control del territori, així com la cobertura en zones d'ombra 🎙️ Isaac Llorens de @sateliot i Guillem Sánchez d'@isardSAT han presentat exemples de transformació en sectors clau

i2CAT's tweet image. 🎙️ Marcel Marín de l'equip d'#SpaceComms a #i2CAT va explicar com els satèl·lits milloren seguiment i control del territori, així com la cobertura en zones d'ombra

🎙️ Isaac Llorens de @sateliot i Guillem Sánchez d'@isardSAT han presentat exemples de transformació en sectors clau
i2CAT's tweet image. 🎙️ Marcel Marín de l'equip d'#SpaceComms a #i2CAT va explicar com els satèl·lits milloren seguiment i control del territori, així com la cobertura en zones d'ombra

🎙️ Isaac Llorens de @sateliot i Guillem Sánchez d'@isardSAT han presentat exemples de transformació en sectors clau
i2CAT's tweet image. 🎙️ Marcel Marín de l'equip d'#SpaceComms a #i2CAT va explicar com els satèl·lits milloren seguiment i control del territori, així com la cobertura en zones d'ombra

🎙️ Isaac Llorens de @sateliot i Guillem Sánchez d'@isardSAT han presentat exemples de transformació en sectors clau

🚀 New patent application #US20250337526A1 by #RegentsOfUMich introduces a reconfigurable Galois Field FEC decoder for optical #SpaceComms. 📡 Capable of decoding BCH, RS, Staircase, and oFEC codes, it offers adaptive intersatellite communication. 🔄 Features include…

PatentPulse's tweet image. 🚀 New patent application #US20250337526A1 by #RegentsOfUMich introduces a reconfigurable Galois Field FEC decoder for optical #SpaceComms. 
  
📡 Capable of decoding BCH, RS, Staircase, and oFEC codes, it offers adaptive intersatellite communication. 
  
🔄 Features include…
PatentPulse's tweet image. 🚀 New patent application #US20250337526A1 by #RegentsOfUMich introduces a reconfigurable Galois Field FEC decoder for optical #SpaceComms. 
  
📡 Capable of decoding BCH, RS, Staircase, and oFEC codes, it offers adaptive intersatellite communication. 
  
🔄 Features include…
PatentPulse's tweet image. 🚀 New patent application #US20250337526A1 by #RegentsOfUMich introduces a reconfigurable Galois Field FEC decoder for optical #SpaceComms. 
  
📡 Capable of decoding BCH, RS, Staircase, and oFEC codes, it offers adaptive intersatellite communication. 
  
🔄 Features include…

🚀 Researchers from #SpaceComms and #MWI groups shared their work at #IAC2025, organized by @iafastro in Sydney 🗣️ They gave 6 talks on #NonTerrestrialNetworks for #6G and presented the 🛰️#6GStarLab, Europe's 1st low-orbit 6G open research laboratory #i2CATResearch #SpaceWeek

i2CAT's tweet image. 🚀 Researchers from #SpaceComms and #MWI groups shared their work at #IAC2025, organized by @iafastro in Sydney

🗣️ They gave 6 talks on #NonTerrestrialNetworks for #6G and presented the 🛰️#6GStarLab, Europe's 1st low-orbit 6G open research laboratory

#i2CATResearch #SpaceWeek
i2CAT's tweet image. 🚀 Researchers from #SpaceComms and #MWI groups shared their work at #IAC2025, organized by @iafastro in Sydney

🗣️ They gave 6 talks on #NonTerrestrialNetworks for #6G and presented the 🛰️#6GStarLab, Europe's 1st low-orbit 6G open research laboratory

#i2CATResearch #SpaceWeek
i2CAT's tweet image. 🚀 Researchers from #SpaceComms and #MWI groups shared their work at #IAC2025, organized by @iafastro in Sydney

🗣️ They gave 6 talks on #NonTerrestrialNetworks for #6G and presented the 🛰️#6GStarLab, Europe's 1st low-orbit 6G open research laboratory

#i2CATResearch #SpaceWeek
i2CAT's tweet image. 🚀 Researchers from #SpaceComms and #MWI groups shared their work at #IAC2025, organized by @iafastro in Sydney

🗣️ They gave 6 talks on #NonTerrestrialNetworks for #6G and presented the 🛰️#6GStarLab, Europe's 1st low-orbit 6G open research laboratory

#i2CATResearch #SpaceWeek

Did you know? Telstar 1 was developed by American Telephone and Telegraph Company (AT&T). AT&T once used this satellite to test the basics of space communication! 🚀📡 #ThrowbackTech #SpaceComms

tribunephl's tweet image. Did you know? 

Telstar 1 was developed by American Telephone and Telegraph Company (AT&T). AT&T once used this satellite to test the basics of space communication! 🚀📡 

#ThrowbackTech #SpaceComms

🌌 AVUI! 🚀 Si treballes al sector espacial o hi tens interès, no et pots perdre el Congrés #NewSpace23 de Barcelona! 🛰️ Participa en l'edició més internacional i coneix altres negocis amb els mateixos interessos! 🗣️ En Pol Guixé, director d’Innovació a #SpaceComms, modera la…

i2CAT's tweet image. 🌌 AVUI! 
🚀 Si treballes al sector espacial o hi tens interès, no et pots perdre el Congrés #NewSpace23 de Barcelona!
🛰️ Participa en l'edició més internacional i coneix altres negocis amb els mateixos interessos!
🗣️ En Pol Guixé, director d’Innovació a #SpaceComms, modera la…

NOW AVAILABLE! The guarDSMan digital software modem connects satellite to ground communications at data rates up to 2 Gbps. Yes, you read that right – up to 2 Gbps! Learn more here. GDMissionSystems.com/Products/Satel… #guarDSMan #spacecomms #modem #fullduplex

GDMS's tweet image. NOW AVAILABLE! The guarDSMan digital software modem connects satellite to ground communications at data rates up to 2 Gbps. 

Yes, you read that right – up to 2 Gbps! Learn more here.

GDMissionSystems.com/Products/Satel… 

#guarDSMan #spacecomms #modem #fullduplex

🛰️ El #NewSpace Congress de Barcelona torna amb una mirada més internacional i centrada en les aplicacions de l'Espai! 🌠 T'ho perdràs? 📅 22 i 23/11 📍 #LaLlotjaDeMar 🗣️ En Pol Guixé, director d’Innovació a #SpaceComms, modera la taula rodona "Escuts interestel·lars: la…

i2CAT's tweet image. 🛰️ El #NewSpace Congress de Barcelona torna amb una mirada més internacional i centrada en les aplicacions de l'Espai!

🌠 T'ho perdràs?

📅 22 i 23/11
📍 #LaLlotjaDeMar

🗣️ En Pol Guixé, director d’Innovació a #SpaceComms, modera la taula rodona "Escuts interestel·lars: la…

🚀 SPACE COMMS PRESS RELEASE 🌐 We are proud to have played a role in the groundbreaking laser communication Cubesat system within the TNO consortium in Europe. READ HERE: hubs.ly/Q02jqf1m0 #SpaceComms #Photonics #LaserComms #PhotonicsWest2024 #PhotonicsWest

ghphotonics's tweet image. 🚀 SPACE COMMS PRESS RELEASE 🌐
We are proud to have played a role in the groundbreaking laser communication Cubesat system within the TNO consortium in Europe.

READ HERE: hubs.ly/Q02jqf1m0

#SpaceComms #Photonics #LaserComms #PhotonicsWest2024 #PhotonicsWest

🌌 @goonhillyorg reorganizes to prioritize customer needs. Dedicated divisions include: Commercial Satcom, Defence & Security, and Lunar & Deep Space Communications. spacewatch.global/2024/07/goonhi… #Goonhilly #SpaceComms #Defence #DeepSpace

SpaceWatchGL's tweet image. 🌌 @goonhillyorg reorganizes to prioritize customer needs. Dedicated divisions include: Commercial Satcom, Defence & Security, and Lunar & Deep Space Communications. 

spacewatch.global/2024/07/goonhi…

#Goonhilly #SpaceComms #Defence #DeepSpace

🔝 This Wednesday, the #AI and #SpaceComms team will be at the the 25th International Conference of the Catalan Association for Artificial Intelligence #CCIA2023 @acia_cat 📝 Inter-Satellite Link Prediction with Supervised Learning based on Kepler and SGP4 orbits (E. Ferrer, J.…

i2CAT's tweet image. 🔝 This Wednesday, the #AI and #SpaceComms team will be at the the 25th International Conference of the Catalan Association for Artificial Intelligence #CCIA2023 @acia_cat 
📝 Inter-Satellite Link Prediction with Supervised Learning based on Kepler and SGP4 orbits (E. Ferrer, J.…

🛰️ Only two days left until @SpaceCommExpo! Our teammates Isolina Pérez and María Marante are ready to attend the UK's largest #space event. We'll showcase a wide range of #spacecomms products from our own stand (F10). Book a meeting (7-8, June) 👉hubs.la/Q01Sfn7N0 #SCE23

alenspace's tweet image. 🛰️ Only two days left until @SpaceCommExpo! Our teammates Isolina Pérez and María Marante are ready to attend the UK's largest #space event. We'll showcase a wide range of  #spacecomms products from our own stand (F10). Book a meeting (7-8, June) 👉hubs.la/Q01Sfn7N0
#SCE23

For @Forbes, Ed Fox contributes his insights on how and why LEO (low Earth orbit) satellite services such as Starlink are part of the solution to the growing demand for "always on, anywhere" connectivity. Read here: hubs.la/Q02SXBBN0 #SpaceComms #LEO #Satellites #Forbes

OneMetTel's tweet image. For @Forbes, Ed Fox contributes his insights on how and why LEO (low Earth orbit) satellite services such as Starlink are part of the solution to the growing demand for "always on, anywhere" connectivity.

Read here: hubs.la/Q02SXBBN0

#SpaceComms #LEO #Satellites #Forbes

💡 Yesterday, the department of Network Engineering @ENTEL_UPC of @la_UPC organized the 3rd Network Engineering Day #NErD24, a workshop on Communication Networks where some #i2CAT researchers presented their TFMs: Isabel Gallardo from the #SpaceComms area and Suneel Kumar from…

i2CAT's tweet image. 💡 Yesterday, the department of Network Engineering @ENTEL_UPC of @la_UPC organized the 3rd Network Engineering Day #NErD24, a workshop on Communication Networks where some #i2CAT researchers presented their TFMs: Isabel Gallardo from the #SpaceComms area and Suneel Kumar from…

🗣️Nuestro investigador del Grupo en #SpaceComms Arnau Singla ha intervenido en @5G_FORUM para explicar el papel de las Redes No Terrestres (NTN) como habilitadoras clave del #5G avanzado y del futuro #6G 📡Las #NTN facilitarán una conectividad global y resiliente #i2CATResearch

i2CAT's tweet image. 🗣️Nuestro investigador del Grupo en #SpaceComms Arnau Singla ha intervenido en @5G_FORUM para explicar el papel de las Redes No Terrestres (NTN) como habilitadoras clave del #5G avanzado y del futuro #6G

📡Las #NTN facilitarán una conectividad global y resiliente

#i2CATResearch
i2CAT's tweet image. 🗣️Nuestro investigador del Grupo en #SpaceComms Arnau Singla ha intervenido en @5G_FORUM para explicar el papel de las Redes No Terrestres (NTN) como habilitadoras clave del #5G avanzado y del futuro #6G

📡Las #NTN facilitarán una conectividad global y resiliente

#i2CATResearch

🌍 Communications will be handled by Goonhilly Earth Station in the UK, featuring a 32m diameter dish! #SpaceComms #Goonhilly #XiProtocol $XI #Doge1

XiCommunity's tweet image. 🌍 Communications will be handled by Goonhilly Earth Station in the UK, featuring a 32m diameter dish! #SpaceComms #Goonhilly #XiProtocol $XI #Doge1

Ever wondered how building an interplanetary internet is helping us TODAY? Join me Jan 16 at 5pm ET (GMT-4) @IPNSIG’s keynote with Samo Grasic to find out! Sign up at IPNSIG.org #DTN #IPNSIG #SpaceComms

LauraChappell's tweet image. Ever wondered how building an interplanetary internet is helping us TODAY?

Join me Jan 16 at 5pm ET (GMT-4) @IPNSIG’s keynote with Samo Grasic to find out!

Sign up at IPNSIG.org

#DTN #IPNSIG #SpaceComms

🚀The #New Space Congress is back! 🗣️@PolGuixe, #i2CAT's #SpaceComms innovation director, moderates "Interstellar shields: the intersection of Cybersecurity & Space Communications" on 22/11 at 12:45h ➡️ow.ly/BIW350Q9ssu @CambraBCN @tic @IEEC_space @ICGCat @KIM_global @i2CAT

i2CAT's tweet image. 🚀The #New Space Congress is back!
🗣️@PolGuixe, #i2CAT's #SpaceComms innovation director, moderates "Interstellar shields: the intersection of Cybersecurity & Space Communications" on 22/11 at 12:45h
➡️ow.ly/BIW350Q9ssu
@CambraBCN @tic @IEEC_space @ICGCat @KIM_global @i2CAT

Loading...

Something went wrong.


Something went wrong.


United States Trends