
OpenEmbed
@Open_Embed
Bridge the gap between IT&OT. Bring MORE (Modular,Open,Reliable, Efficient ) Controller to Industries #IoT #Arduino #Jetson #Raspberrypi #PLC #Automation
Tal vez te guste
In 2019,we released EdgeBox-RPI;in 2020,we released EdgeBox-RPI4 ;And now, for over one year of development and testing, we will release EdgeLogix1240,the most powerful industrial RaspberryPi controller. #Industry40 #RaspberryPi #cm4 #IndustrialIOT #INDUSTRY #AUTOMATION



The innovative 10BASE-T1S technology is used as PLC backplane. It's the first time all over the world. #Industry40 #raspberrypi #IndustrialIOT #INDUSTRY #AUTOMATION #PLC #EdgeComputing #codesys

The EdgeLogix-1145 and EdgeLogix-1146 are built around RaspberryPi CM5, as while as an optional Codesys runtime license. #Industry40 #raspberrypi #IndustrialIOT #INDUSTRY #AUTOMATION #PLC #EdgeComputing #codesys

First time, we use the 10BASE-T1S technology as low-speed channel for PLC backplane. As while as another data channel up to 1000mbps for high-speed data communications. #Industry40 #raspberrypi #IndustrialIOT #INDUSTRY #AUTOMATION #PLC #EdgeComputing #codesys

EdgeLogix-1146 & EdgeLogix-1145, there brother version of RaspberryPi CM5 powered PLC. #Industry40 #raspberrypi #IndustrialIOT #INDUSTRY #AUTOMATION #PLC #EdgeComputing #codesys


The new released RaspberryPi CM0. #Industry40 #raspberrypi #IndustrialIOT #INDUSTRY #AUTOMATION #PLC #EdgeComputing #codesys




EdgeLogix-1145 PLC controller,in CIIF-2025 ,Shanghai. #Industry40 #raspberrypi #IndustrialIOT #INDUSTRY #AUTOMATION #PLC #EdgeComputing #codesys

EdgeLogix-1146 PLC controller with I/O modules #Industry40 #raspberrypi #IndustrialIOT #INDUSTRY #AUTOMATION #PLC #EdgeComputing #codesys


The EdgeBox-RPI5,a RaspberryPi CM5 based industrial/IoT controller. -CM5 -Dual Gigabit Ethernet -6 DI&6 DO at 24V -Optional 4G/LTE with sim card -RS485 isolated+RS232 -9V to 36V PWR -Full aluminum enclosure #IndustrialIOT #INDUSTRY #AUTOMATION #EdgeComputing #IOT #plc




Working on the document of EdgeLogix-1146 PLC controller. #Industry40 #raspberrypi #IndustrialIOT #INDUSTRY #AUTOMATION #PLC #EdgeComputing #codesys


EdgeBox-RPI5 industrial controller under long-term testing. #Industry40 #raspberrypi #IndustrialIOT #INDUSTRY #AUTOMATION #PLC #EdgeComputing #codesys




Working on the signals of connection. #Industry40 #raspberrypi #IndustrialIOT #INDUSTRY #AUTOMATION #PLC #EdgeComputing #codesys


All components of EdgeLogix-1145 PLC controller. #Industry40 #raspberrypi #IndustrialIOT #INDUSTRY #AUTOMATION #PLC #EdgeComputing #codesys

LogixCoupler or EdgeLogix 1100 PLC controller with L-series I/O modules. #Industry40 #Ethercat #IndustrialIOT #INDUSTRY #AUTOMATION #PAC #EdgeComputing #IOT #plc




Finished Enclosure design of LogixCoupler. It will be around 10 different SKUs. The same enclosure, different schematics. #Industry40 #Ethercat #IndustrialIOT #INDUSTRY #AUTOMATION #PAC #EdgeComputing #IOT #plc




The EdgeBox-RPI5,a rugged RaspberryPi CM5 based industrial/IoT controller. -CM5 -Dual Gigabyte Ethernet -6 DI&6 DO at 24V level -Optional 4G/LTE with sim card -RS485 isolated+RS232 -9V to 36V PWR -Full aluminum enclosure


Add terminal slice of L-series I/O module. #Industry40 #Ethercat #IndustrialIOT #INDUSTRY #AUTOMATION #PAC #EdgeComputing #IOT #plc




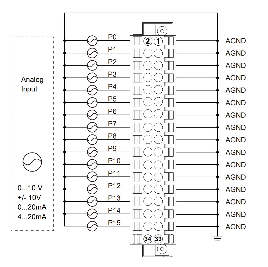
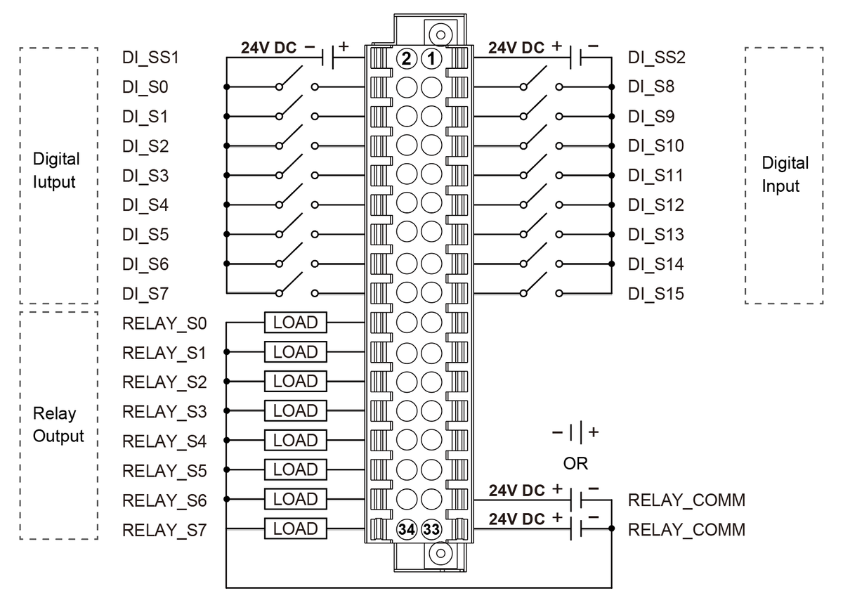
.@Open_Embed EdgeLogix 1145 is a Raspberry Pi CM5-based PLC (Programmable Logic Controller). cnx-software.com/2025/08/03/edg… The DIN-rail mountable controller features two Gigabit Ethernet ports, a USB 3.0 port, an HDMI port, a 34-pin terminal block with RS232, RS485, sixteen 24V DC…




Which protocols we will support ? #Industry40 #Ethercat #IndustrialIOT #INDUSTRY #AUTOMATION #PAC #EdgeComputing #IOT #plc



EdgeSolar is in small batch manufacture phase. The capability of outputs is 36V/5A+140w Type C. Long-term testing will also be under processing. #Industry40 #UPS #IndustrialIOT #INDUSTRY #AUTOMATION #SOLAR #EdgeComputing #IOT #plc



We have finished the design of EdgeBox-RPI5. -CM5 -Dual Gigabyte Ethernet -6 DI&6 DO at 24V level -Optional 4G/LTE -RS485+RS232 -9V to 36V PWR -Full aluminum enclosure @RaspberryPi #Industry40 #raspberrypi #IndustrialIOT #INDUSTRY #AUTOMATION #PLC #EdgeComputing #codesys


United States Tendencias
- 1. Baker 30.5K posts
- 2. #BNBdip N/A
- 3. Cowboys 72.6K posts
- 4. Packers 28.7K posts
- 5. 49ers 31.3K posts
- 6. Flacco 11.2K posts
- 7. Fred Warner 10.5K posts
- 8. Panthers 73.8K posts
- 9. Cam Ward 2,744 posts
- 10. Bucs 9,801 posts
- 11. Niners 4,982 posts
- 12. Zac Taylor 2,854 posts
- 13. Tez Johnson 2,863 posts
- 14. Titans 22.8K posts
- 15. #FTTB 3,972 posts
- 16. Ja'Marr Chase 2,382 posts
- 17. Browns 64.8K posts
- 18. #Bengals 3,003 posts
- 19. Yoshi 32K posts
- 20. #GoPackGo 3,563 posts
Tal vez te guste
-
DongshanPI
@dongshanpi -
Sam M
@samerps -
Sipeed
@SipeedIO -
Tobias🌾
@TobisLab -
Mirosław Folejewski (Mirkotronics)
@Mirko_DIY -
MangoPi🐧
@mangopi_sbc -
CNX Software
@cnxsoft -
RT-Thread IoT OS
@rt_thread -
Lukas Henkel
@QVHenkel -
Carl Bugeja
@BugejaCarl -
BD4SUP
@lhf55472946 -
Golioth
@GoliothOfficial -
Weston Braun
@WestonBraun -
logic destroyer
@splinedrive -
KiCad PCB
@kicad_pcb
Something went wrong.
Something went wrong.